您好!欢迎光临「高可智选」 尊敬的会员【{{account}}】,欢迎回到「高可智选」
English 请登录 免费注册 我在高可 我的收藏

RA3508UU轴承尺寸、参数、图纸、前后缀及代号系统

RA3508UU轴承

更新日期:

类型:【交叉滚子轴承 - 交叉滚子轴承】

基本尺寸:内径:35 mm,外径:51 mm,厚度:8 mm。

价格区间:¥0 - ¥0【详情】

前缀列表:【RA:薄型交叉滚子轴承】后缀列表:【UU:密封型,两侧有橡胶密封圈】

RA3508UU轴承介绍

RA3508UU属于薄型交叉滚子轴承系列,其结构设计紧凑,基本尺寸为内径35毫米、外径51毫米、厚度8毫米。该轴承采用交叉排列的滚子布局,能够同时承受径向载荷、轴向载荷以及倾覆力矩,具备较高的刚性和运转精度。

由于截面高度较低,RA3508UU适用于安装空间有限的场合,常见于工业机器人关节、精密旋转工作台、医疗器械及小型减速装置等设备中。薄型设计在保证承载性能的同时,有助于减轻整体结构重量和缩小设备体积。

该型号轴承在材料与工艺方面注重耐磨性与防腐蚀性能,可在中等载荷及中等转速条件下稳定工作。选用时需结合具体工况条件,综合考虑润滑方式与安装配合要求,以确保其性能得到有效发挥。

RA3508UU轴承前后缀、代号系统
R
A
3
5
0
8
U
U
RA:薄型交叉滚子轴承
35:内径代号,公称内径:35 mm
08:厚度代号,公称厚度:8 mm
UU:密封型,两侧有橡胶密封圈
RA:
薄型交叉滚子轴承
35:
内径代号,公称内径:35 mm
08:
厚度代号,公称厚度:8 mm
UU:
密封型,两侧有橡胶密封圈
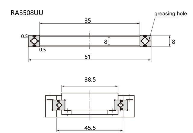
RA3508UU轴承尺寸、参数、图纸
公称型号(按密封形式区分)
品牌:CALOX 开式 RA3508
密封型 RA3508UU
主要尺寸(mm)
内径 d 35
外径 D 51
厚度 B 8
r1(min) 0.5
滚柱节圆直径
dp 42
额定载荷(KN)
基本额定动载荷 Cr 4.1
基本额定静载荷 Cor 3.85
润滑孔
a 2
b 0.8
安装尺寸(mm)
高可实测 ds 38.5
Dh 45.5
重量(kg) 0.065
参数图
RA3508UU轴承产品列表
商品 品牌 主要尺寸 发货仓 产地 库存 含税单价 VIP价 操作
RA3508UU相关轴承、大牌PK推荐