产品分类
- 深沟球轴承
- 角接触球轴承
- 超高精密轴承
- 精密角接触球轴承
- 标准型
- 标准密封型-S
- 陶瓷球标准型-C
- 陶瓷球密封型-CS
- 高速小球型-HS
- 小球密封型-HSS
- 陶瓷小球型-HC
- 陶瓷小球密封型-HCS
- 超高速陶瓷球型-XC
- 超高速陶瓷球密封型-XCS
- 超高速小球型-XS
- 超高速小球密封型-XSS
- 油气润滑-标准钢球型
- 油气润滑-标准陶瓷球型
- 油气润滑-高速小球型
- 油气润滑-高速陶瓷球型
- 油气润滑-超高速小球型
- 油气润滑-超高速陶瓷球型
- 精密丝杠轴承
- 精密圆柱滚子轴承
- 调心球轴承
- 推力轴承
- 圆柱滚子轴承
- 圆锥滚子轴承
- 调心滚子轴承
- 交叉滚子轴承
- 超薄截面轴承
- 滚针轴承
- 滚轮轴承
- 关节轴承
- 直线运动
- 轴承附件

HCS7203CTP4DU轴承
类型:【超高精密轴承 - 精密角接触球轴承】
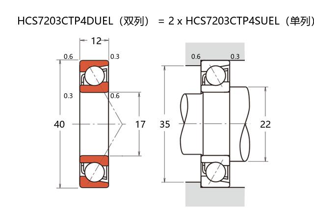
基本尺寸:内径:17 mm,外径:40 mm,厚度:24 mm。
价格区间:¥0 - ¥0【详情】
前缀列表:【H:高转速】【C:陶瓷球】【S:密封型】后缀列表:【C:接触角 15°】【T:尼龙保持架】【P4:P4 级精度】【DU:双列万能配对】
HCS7203CTP4DU是一款超高精密角接触球轴承,其基本尺寸为内径17mm、外径40mm、厚度24mm。该型号轴承适用于高转速和高精密应用场合,通过优化的结构设计和材料选择,满足多种工作环境的需求。
该轴承采用陶瓷小球作为滚动体,具备轻量化、耐磨损和抗腐蚀的特性,有助于减小运转中的离心力,提高动态响应能力。密封结构设计可有效防止污染物进入,同时保持内部润滑剂的稳定性,延长使用寿命。
在应用范围方面,常见于精密机床主轴、高速电主轴以及测量仪器等设备中。其特性包括较低的温升表现和稳定的运行精度,能够适应一定的轴向和径向载荷条件。需要注意的是,具体性能表现会因实际工况和配套结构的不同而有所差异。
H
C
S
7
2
0
3
C
T
P
4
D
U
H:高转速
C:陶瓷球
S:密封型
7:精密角接触球轴承
2:尺寸系列:轻窄 02 系列
03:内径:17 mm
C:接触角 15°
T:尼龙保持架
P4:P4 级精度
DU:双列万能配对
H:
高转速
C:
陶瓷球
S:
密封型
7:
精密角接触球轴承
2:
尺寸系列:轻窄 02 系列
03:
内径:17 mm
C:
接触角 15°
T:
尼龙保持架
P4:
P4 级精度
DU:
双列万能配对
公称型号 | ||
高速陶瓷球密封型 | HCS7203CTP4DU | |
主要尺寸(mm) | ||
内径 | d | 17 |
外径 | D | 40 |
厚度(单列) | B | 12 |
厚度(多列) | T | 24 |
倒角尺寸 | r(min) | 0.6 |
倒角尺寸 | r1(min) | 0.3 |
额定载荷(KN) | ||
基本额定动载荷 | Cr | 14.5 |
基本额定静载荷 | C0r | 5.72 |
极限载荷(KN) | ||
轴向-单个 | 2.39 | |
接触角 | ||
度 | ° | 15 |
系数 | ||
fo | 6.8 | |
作用点(mm) | ||
a | 9.8 | |
限制速度(rpm) | ||
脂润滑 | Grease | 66700 |
油润滑 | Oil | - |
安装尺寸(mm) | ||
da(min) | 22 | |
Da(max) | 35 | |
Db(max) | 37.5 | |
ra(max) | 0.6 | |
rb(max) | 0.3 | |
预紧力(N)-DU/DB/DF | ||
微预紧 | EL | 25 |
轻预紧 | L | 51 |
中预紧 | M | 107 |
重预紧 | H | - |
轴承刚度(N/μm)-DU/DB/DF | ||
微预紧 | EL | 18 |
轻预紧 | L | 24 |
中预紧 | M | 32 |
重预紧 | H | - |
测量轴向游隙(μm) | ||
微预紧 | EL | 0 |
轻预紧 | L | -5 |
中预紧 | M | -13 |
重预紧 | H | - |
轴承组合 | ||
方式 | 万能 | |
列数 | 2 | |
重量(Kg) | ||
0.114 |

商品 | 品牌 | 主要尺寸 | 发货仓 | 产地 | 库存 | 含税单价 | VIP价 | 操作 |