产品分类

公称型号(双向推力) | ||
BTW系列 | BTW50CTDBLP4 | |
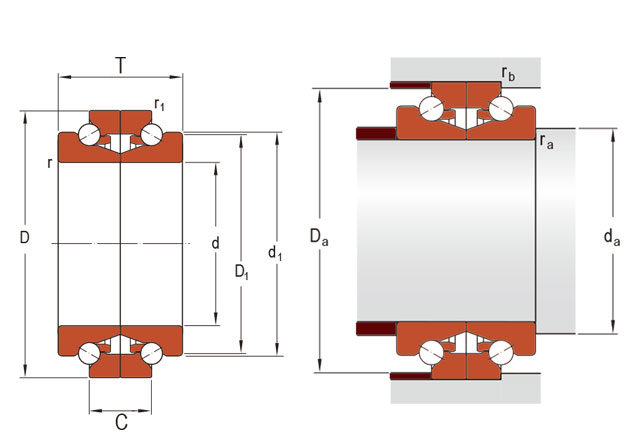
主要尺寸(mm) | ||
内径 | d | 50 |
外径 | D | 80 |
总厚度 | T | 38 |
C | 19 | |
r(min) | 1 | |
r1(min) | 0.3 | |
d1 | 67.5 | |
D1 | 66.9 | |
额定载荷(KN) | ||
基本额定动载荷 | Cr | 22.5 |
基本额定静载荷 | Cor | 60 |
疲劳极限载荷 | ||
疲劳极限载荷 | Cu(KN) | 2.85 |
接触角 | ||
(度) | 60 | |
极限速度(rpm) | ||
脂润滑 | 9000 | |
油润滑 | 11000 | |
安装尺寸(mm) | ||
da(min) | 61 | |
Da(min) | 74.9 | |
Da(max) | 76 | |
ra(max) | 1 | |
rb(max) | 0.1 | |
dn | – | |
润滑脂加注 | 3.3 | |
重量(kg) | 0.58 |

商品 | 品牌 | 主要尺寸 | 发货仓 | 产地 | 库存 | 含税单价 | VIP价 | 操作 |
SKF BTW 50 CTN9/SP轴承 推力角接触球轴承-BTW |
SKF | 50 X 80 X 38 | 华东 | 3 | 6751.86 | ¥5445.05 | ||