产品分类

公称型号(微型推力球) | ||
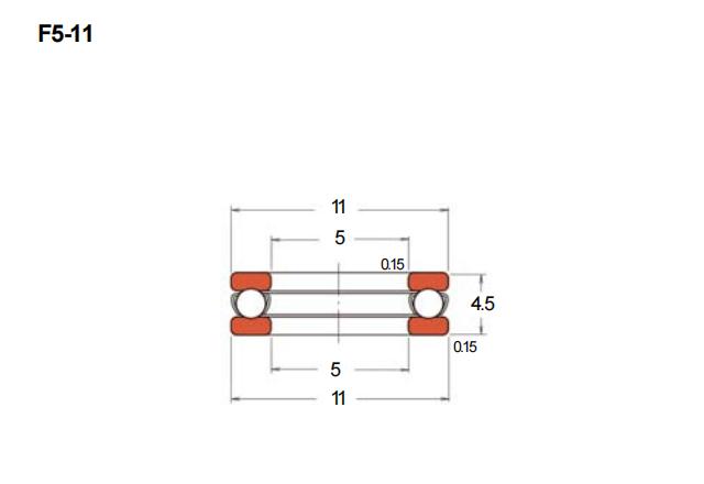
无滚道 | F5-11 | |
有滚道 | — | |
主要尺寸(mm) | ||
内径 | d | 5 |
外径 | D | 11 |
总厚度 | T | 4.5 |
r(min) | 0.15 | |
额定载荷(N) | ||
基本额定动载荷 | Cr | 284 |
基本额定静载荷 | Cor | 284 |
极限速度(rpm) | ||
脂润滑 | — | |
油润滑 | — | |
其他尺寸(mm) | ||
d1 | 11 | |
D1 | 5 | |
安装尺寸(mm) | ||
da(min) | — | |
Da(max) | — | |
ra(max) | — | |
重量(kg) | ||
无滚道 | 2.4 | |
有滚道 | — |

商品 | 品牌 | 主要尺寸 | 发货仓 | 产地 | 库存 | 含税单价 | VIP价 | 操作 |