产品分类
- 深沟球轴承
- 角接触球轴承
- 超高精密轴承
- 精密角接触球轴承
- 标准型
- 标准密封型-S
- 陶瓷球标准型-C
- 陶瓷球密封型-CS
- 高速小球型-HS
- 小球密封型-HSS
- 陶瓷小球型-HC
- 陶瓷小球密封型-HCS
- 超高速陶瓷球型-XC
- 超高速陶瓷球密封型-XCS
- 超高速小球型-XS
- 超高速小球密封型-XSS
- 油气润滑-标准钢球型
- 油气润滑-标准陶瓷球型
- 油气润滑-高速小球型
- 油气润滑-高速陶瓷球型
- 油气润滑-超高速小球型
- 油气润滑-超高速陶瓷球型
- 精密丝杠轴承
- 精密圆柱滚子轴承
- 调心球轴承
- 推力轴承
- 圆柱滚子轴承
- 圆锥滚子轴承
- 调心滚子轴承
- 交叉滚子轴承
- 超薄截面轴承
- 滚针轴承
- 滚轮轴承
- 关节轴承
- 直线运动
- 轴承附件

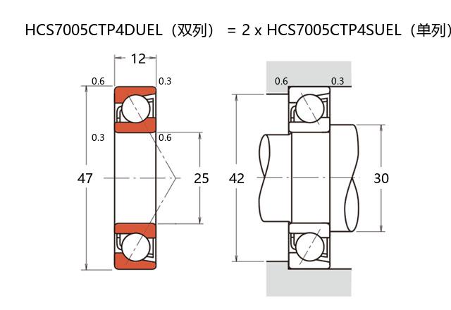
HCS7005CTP4DU轴承
类型:【超高精密轴承 - 精密角接触球轴承】
基本尺寸:内径:25 mm,外径:47 mm,厚度:24 mm。
价格区间:¥1018.71 - ¥1293.76【详情】
前缀列表:【H:高转速】【C:陶瓷球】【S:密封型】后缀列表:【C:接触角 15°】【T:尼龙保持架】【P4:P4 级精度】【DU:双列万能配对】
HCS7005CTP4DU型号轴承属于超高精密角接触球轴承类别,其结构设计适用于高转速和高精度应用场景。该轴承内径为25毫米,外径为47毫米,厚度为24毫米,采用陶瓷小球作为滚动体,有助于降低运转摩擦并提升高速性能。密封结构设计可有效防止污染物侵入,同时保持内部润滑稳定性。
此类轴承通常应用于对旋转精度和刚性要求较高的设备中,例如精密机床主轴或测量仪器。陶瓷材料的使用可能带来耐磨损和抗腐蚀方面的优势,同时有助于控制温升。在安装时需注意配合公差和预紧力调整,以充分发挥其性能特点。
轴承的寿命和稳定性受多种因素影响,包括工作负载、润滑条件及维护情况等。用户可根据实际需求选择合适配置,建议在专业指导下进行安装与维护操作。
H
C
S
7
0
0
5
C
T
P
4
D
U
H:高转速
C:陶瓷球
S:密封型
7:精密角接触球轴承
0:尺寸系列:超轻 10 系列
05:内径:25 mm
C:接触角 15°
T:尼龙保持架
P4:P4 级精度
DU:双列万能配对
H:
高转速
C:
陶瓷球
S:
密封型
7:
精密角接触球轴承
0:
尺寸系列:超轻 10 系列
05:
内径:25 mm
C:
接触角 15°
T:
尼龙保持架
P4:
P4 级精度
DU:
双列万能配对
公称型号 | ||
高速陶瓷球密封型 | HCS7005CTP4DU | |
主要尺寸(mm) | ||
内径 | d | 25 |
外径 | D | 47 |
厚度(单列) | B | 12 |
厚度(多列) | T | 24 |
倒角尺寸 | r(min) | 0.6 |
倒角尺寸 | r1(min) | 0.3 |
额定载荷(KN) | ||
基本额定动载荷 | Cr | 15.8 |
基本额定静载荷 | C0r | 7.2 |
极限载荷(KN) | ||
轴向-单个 | 3.05 | |
接触角 | ||
度 | ° | 15 |
系数 | ||
fo | 7.6 | |
作用点(mm) | ||
a | 10.8 | |
限制速度(rpm) | ||
脂润滑 | Grease | 52800 |
油润滑 | Oil | - |
安装尺寸(mm) | ||
da(min) | 30 | |
Da(max) | 42 | |
Db(max) | 44.5 | |
ra(max) | 0.6 | |
rb(max) | 0.3 | |
预紧力(N)-DU/DB/DF | ||
微预紧 | EL | 25 |
轻预紧 | L | 56 |
中预紧 | M | 125 |
重预紧 | H | - |
轴承刚度(N/μm)-DU/DB/DF | ||
微预紧 | EL | 22 |
轻预紧 | L | 29 |
中预紧 | M | 40 |
重预紧 | H | - |
测量轴向游隙(μm) | ||
微预紧 | EL | 0 |
轻预紧 | L | -5 |
中预紧 | M | -13 |
重预紧 | H | - |
轴承组合 | ||
方式 | 万能 | |
列数 | 2 | |
重量(Kg) | ||
0.14 |

商品 | 品牌 | 主要尺寸 | 发货仓 | 产地 | 库存 | 含税单价 | VIP价 | 操作 |
FAG HCS7005C.T.P4S.DUL轴承 超精密角接触球轴承 |
FAG | 25 X 47 X 24 | 华东 | 10 | 1293.76 | ¥1018.71 | ||