产品分类

7405BTN轴承
类型:【角接触球轴承 - 角接触球轴承】
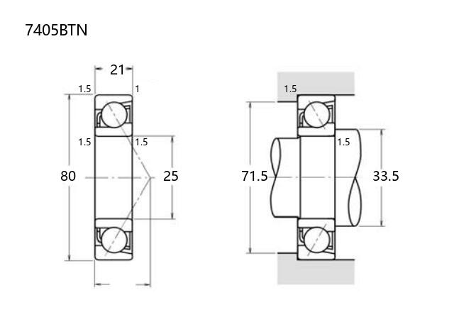
基本尺寸:内径:25 mm,外径:80 mm,厚度:21 mm。
价格区间:¥0 - ¥0【详情】
后缀列表:【B:接触角 40°】【TN:聚酰胺树脂(尼龙)保持架】
7405BTN型轴承属于角接触球轴承类别,内径为25mm,外径80mm,厚度21mm,符合公制标准尺寸。该轴承设计用于承受径向和轴向联合载荷,接触角结构使其适用于较高转速工况。作为普通精度等级产品,其性能满足P0、P6或P5级标准要求,适用于一般工业场景中的中等负荷和转速需求。
该型号轴承常见于传动系统、电机主轴或泵类设备等应用场合,其结构特点允许通过预紧调整来提升系统刚性。保持架采用常规设计,有利于在持续运转中维持稳定性能。选型时需结合具体工况参数进行综合评估,确保符合设备运行条件。
使用过程中应注意配合公差与润滑条件的匹配,定期维护可延长轴承使用寿命。该型号作为标准零部件,在通用机械领域具有较高的兼容性与替代性。
7
4
0
5
B
T
N
7:角接触球轴承
4:尺寸系列:重窄 04 系列
05:内径:25 mm
B:接触角 40°
TN:聚酰胺树脂(尼龙)保持架
7:
角接触球轴承
4:
尺寸系列:重窄 04 系列
05:
内径:25 mm
B:
接触角 40°
TN:
聚酰胺树脂(尼龙)保持架
公称型号(按保持器区分) | ||
冲压钢 | 7405BW | |
尼龙 | 7405BTN | |
车削铜 | 7405BM | |
主要尺寸(mm) | ||
内径 | d | 25 |
外径 | D | 80 |
厚度 | B | 21 |
r(min) | 1.5 | |
r1(min) | 1 | |
接触角 | ||
α(度) | 40° | |
额定载荷(KN) | ||
动载荷 | Cr(单列) | 36.9 |
基本额定静载荷 | Cor(单列) | 21.5 |
系数 | ||
f0 | — | |
限制速度(rpm) | ||
脂润滑 | 7300 | |
油润滑 | 10000 | |
载荷中心(mm) | ||
a(单列) | 33.6 | |
安装尺寸(mm) | ||
da(min) | 33.5 | |
Da(max) | 71.5 | |
ra(max) | 1.5 | |
db(min) | ||
Db(max) | ||
rb(max) | ||
重量(kg) | ||
单列 | 0.527 |

商品 | 品牌 | 主要尺寸 | 发货仓 | 产地 | 库存 | 含税单价 | VIP价 | 操作 |