产品分类

7272AM轴承
类型:【角接触球轴承 - 角接触球轴承】
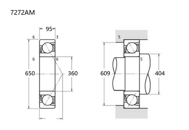
基本尺寸:内径:360 mm,外径:650 mm,厚度:95 mm。
价格区间:¥0 - ¥0【详情】
后缀列表:【A:接触角 30°】【M:实体黄铜保持架】
7272AM角接触球轴承内径为360毫米,外径650毫米,厚度95毫米,属于中大型轴承规格。该型号采用角接触设计,能够同时承受径向和轴向载荷,适用于中高速运转条件。作为普通精度等级产品,其性能满足一般工业应用需求。
此类轴承常见于重型机械、大型电机或传动系统中,安装时需注意调整预紧力以保证运行稳定性。结构上通常采用淬硬钢制造,保持架可能为实体或冲压形式,具体配置需参考制造商技术资料。使用寿命受安装精度、润滑条件及工作负荷等多因素影响。
维护时应定期检查磨损情况并及时补充润滑剂,存储需避免潮湿环境。选型阶段建议结合实际工况参数进行综合评估,必要时可咨询技术支持以确认适用性。该型号轴承作为标准零部件,在各类工业装备中具有较为广泛的应用基础。
7
2
7
2
A
M
7:角接触球轴承
2:尺寸系列:轻窄 02 系列
72:内径:360 mm
A:接触角 30°
M:实体黄铜保持架
7:
角接触球轴承
2:
尺寸系列:轻窄 02 系列
72:
内径:360 mm
A:
接触角 30°
M:
实体黄铜保持架
公称型号(按保持器区分) | ||
冲压钢 | ||
尼龙 | 7272ATN | |
车削铜 | 7272AM | |
主要尺寸(mm) | ||
内径 | d | 360 |
外径 | D | 650 |
厚度 | B | 95 |
r(min) | 6 | |
r1(min) | 3 | |
接触角 | ||
α(度) | 30° | |
额定载荷(KN) | ||
动载荷 | Cr(单列) | 670 |
基本额定静载荷 | Cor(单列) | 1280 |
系数 | ||
f0 | — | |
限制速度(rpm) | ||
脂润滑 | ||
油润滑 | ||
载荷中心(mm) | ||
a(单列) | 193.3 | |
安装尺寸(mm) | ||
da(min) | 404 | |
Da(max) | 609 | |
ra(max) | 5 | |
db(min) | — | |
Db(max) | 623 | |
rb(max) | 2.5 | |
重量(kg) | ||
单列 | 144 |

商品 | 品牌 | 主要尺寸 | 发货仓 | 产地 | 库存 | 含税单价 | VIP价 | 操作 |