产品分类
- 深沟球轴承
- 角接触球轴承
- 超高精密轴承
- 精密角接触球轴承
- 标准型
- 标准密封型-S
- 陶瓷球标准型-C
- 陶瓷球密封型-CS
- 高速小球型-HS
- 小球密封型-HSS
- 陶瓷小球型-HC
- 陶瓷小球密封型-HCS
- 超高速陶瓷球型-XC
- 超高速陶瓷球密封型-XCS
- 超高速小球型-XS
- 超高速小球密封型-XSS
- 油气润滑-标准钢球型
- 油气润滑-标准陶瓷球型
- 油气润滑-高速小球型
- 油气润滑-高速陶瓷球型
- 油气润滑-超高速小球型
- 油气润滑-超高速陶瓷球型
- 精密丝杠轴承
- 精密圆柱滚子轴承
- 调心球轴承
- 推力轴承
- 圆柱滚子轴承
- 圆锥滚子轴承
- 调心滚子轴承
- 交叉滚子轴承
- 超薄截面轴承
- 滚针轴承
- 滚轮轴承
- 关节轴承
- 直线运动
- 轴承附件

HCS7940ETP4DU轴承
类型:【超高精密轴承 - 精密角接触球轴承】
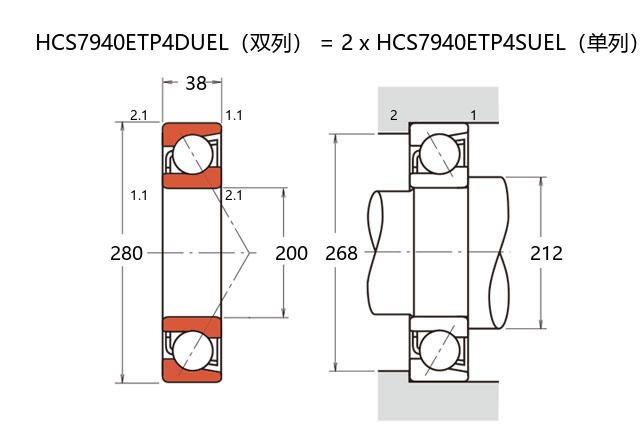
基本尺寸:内径:200 mm,外径:280 mm,厚度:76 mm。
价格区间:¥0 - ¥0【详情】
前缀列表:【H:高转速】【C:陶瓷球】【S:密封型】后缀列表:【E:接触角 25°】【T:尼龙保持架】【P4:P4 级精度】【DU:双列万能配对】
HCS7940ETP4DU型轴承属于超高精密角接触球轴承系列,其基本结构参数为内径200毫米、外径280毫米、厚度76毫米。该型号采用陶瓷小球作为滚动体,配合特殊设计的密封结构,在保持高精度运转的同时有效阻隔外部污染物侵入。这类轴承通常适用于高速主轴、精密机床等对旋转精度和稳定性有严格要求的工业场景。
其结构设计兼顾了径向与轴向载荷的复合承载能力,特有的接触角设计使轴承在高速运转状态下仍能维持稳定的刚性表现。采用陶瓷材料制作的滚动体具有较低的密度和优异的热稳定性,有助于降低高速运转时的离心力效应,减缓温升对精度的影响。密封系统的优化进一步提升了轴承在复杂工况下的耐久性能。
在应用过程中需根据实际工况合理配置预紧力和润滑方案,以充分发挥其性能潜力。此类轴承的选型需综合考虑负载特性、转速范围及环境条件等多重因素,确保与主机系统的匹配性。
H
C
S
7
9
4
0
E
T
P
4
D
U
H:高转速
C:陶瓷球
S:密封型
7:精密角接触球轴承
9:尺寸系列:超轻 19 系列
40:内径:200 mm
E:接触角 25°
T:尼龙保持架
P4:P4 级精度
DU:双列万能配对
H:
高转速
C:
陶瓷球
S:
密封型
7:
精密角接触球轴承
9:
尺寸系列:超轻 19 系列
40:
内径:200 mm
E:
接触角 25°
T:
尼龙保持架
P4:
P4 级精度
DU:
双列万能配对
公称型号 | ||
高速陶瓷球密封型 | HCS7940ETP4DU | |
主要尺寸(mm) | ||
内径 | d | 200 |
外径 | D | 280 |
厚度(单列) | B | 38 |
厚度(多列) | T | 76 |
倒角尺寸 | r(min) | 2.1 |
倒角尺寸 | r1(min) | 1.1 |
额定载荷(KN) | ||
基本额定动载荷 | Cr | 272 |
基本额定静载荷 | C0r | 288 |
极限载荷(KN) | ||
轴向-单个 | 181 | |
接触角 | ||
度 | ° | 25 |
系数 | ||
fo | - | |
作用点(mm) | ||
a | 75 | |
限制速度(rpm) | ||
脂润滑 | Grease | 6300 |
油润滑 | Oil | - |
安装尺寸(mm) | ||
da(min) | 212 | |
Da(max) | 268 | |
Db(max) | 273 | |
ra(max) | 2 | |
rb(max) | 1 | |
预紧力(N)-DU/DB/DF | ||
微预紧 | EL | 196 |
轻预紧 | L | 2970 |
中预紧 | M | 5974 |
重预紧 | H | - |
轴承刚度(N/μm)-DU/DB/DF | ||
微预紧 | EL | 230 |
轻预紧 | L | 582 |
中预紧 | M | 749 |
重预紧 | H | - |
测量轴向游隙(μm) | ||
微预紧 | EL | 0 |
轻预紧 | L | -26 |
中预紧 | M | -44 |
重预紧 | H | - |
轴承组合 | ||
方式 | 万能 | |
列数 | 2 | |
重量(Kg) | ||
10.14 |

商品 | 品牌 | 主要尺寸 | 发货仓 | 产地 | 库存 | 含税单价 | VIP价 | 操作 |