您好!欢迎光临「高可智选」 尊敬的会员【{{account}}】,欢迎回到「高可智选」
English 请登录 免费注册 我在高可 我的收藏

CRBH14016轴承尺寸、参数、图纸、互换、价格

CRBH14016轴承

类型:【交叉滚子轴承 - 交叉滚子轴承】

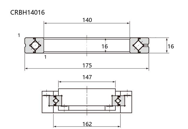
基本尺寸:内径:140 mm,外径:175 mm,厚度:16 mm。

价格区间:¥0 - ¥0【详情】

CRBH14016轴承尺寸、参数、图纸
公称型号(按密封形式区分)
开式CRBH14016
密封型CRBH14016UU
主要尺寸(mm)
内径d140
外径D175
厚度B16
r(min)1
滚柱节圆直径
dp154.8
额定载荷(KN)
基本额定动载荷Cr25.9
基本额定静载荷Cor50.1
润滑孔(×4)
do2
安装尺寸(mm)
ds147
Dh162
重量(kg)1
尺寸图
CRBH14016轴承产品列表
商品 品牌 主要尺寸 发货仓 产地 库存 含税单价 VIP价 操作
CRBH14016相关轴承、大牌PK推荐