产品分类
- 深沟球轴承
- 角接触球轴承
- 超高精密轴承
- 精密角接触球轴承
- 标准型
- 标准密封型-S
- 陶瓷球标准型-C
- 陶瓷球密封型-CS
- 高速小球型-HS
- 小球密封型-HSS
- 陶瓷小球型-HC
- 陶瓷小球密封型-HCS
- 超高速陶瓷球型-XC
- 超高速陶瓷球密封型-XCS
- 超高速小球型-XS
- 超高速小球密封型-XSS
- 油气润滑-标准钢球型
- 油气润滑-标准陶瓷球型
- 油气润滑-高速小球型
- 油气润滑-高速陶瓷球型
- 油气润滑-超高速小球型
- 油气润滑-超高速陶瓷球型
- 精密丝杠轴承
- 精密圆柱滚子轴承
- 调心球轴承
- 推力轴承
- 圆柱滚子轴承
- 圆锥滚子轴承
- 调心滚子轴承
- 交叉滚子轴承
- 超薄截面轴承
- 滚针轴承
- 滚轮轴承
- 关节轴承
- 直线运动
- 轴承附件

HCS7922ETP4DU轴承
类型:【超高精密轴承 - 精密角接触球轴承】
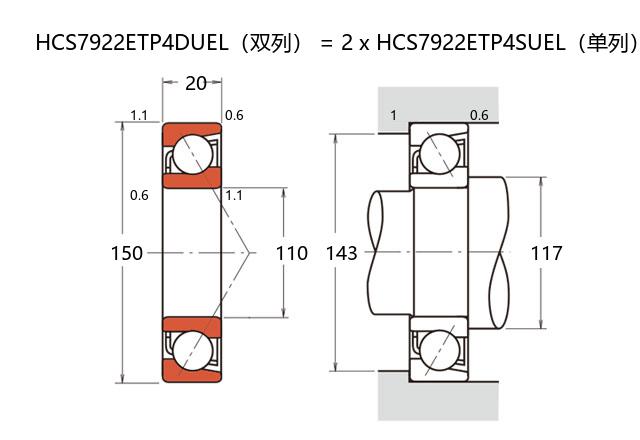
基本尺寸:内径:110 mm,外径:150 mm,厚度:40 mm。
价格区间:¥0 - ¥0【详情】
前缀列表:【H:高转速】【C:陶瓷球】【S:密封型】后缀列表:【E:接触角 25°】【T:尼龙保持架】【P4:P4 级精度】【DU:双列万能配对】
HCS7922ETP4DU属于超高精密角接触球轴承系列,其结构特点包括内外圈采用高纯度钢材、滚动体选用陶瓷材质以及接触角优化设计。这类轴承通常适用于高转速、高刚性的工作环境,例如精密机床主轴或电主轴系统。其内径110mm、外径150mm、厚度40mm的尺寸规格在中小型精密设备中较为常见,可满足中等载荷与高速运转的复合需求。
陶瓷小球的应用有助于降低高速运转时的离心力影响,同时减少因温差引起的尺寸波动。密封结构采用特殊设计,可在防止润滑剂泄漏的同时阻挡外部污染物侵入,延长轴承在严苛工况下的使用寿命。
该型号轴承在预紧力调节和组配方式上具有灵活性,支持串联、背对背或面对面等多种安装形式。动态平衡性能经过优化,有助于抑制高速旋转时的振动噪声。需要注意的是,实际使用中需根据设备工况匹配合适的润滑方案与安装工艺,以充分发挥其性能特点。
H
C
S
7
9
2
2
E
T
P
4
D
U
H:高转速
C:陶瓷球
S:密封型
7:精密角接触球轴承
9:尺寸系列:超轻 19 系列
22:内径:110 mm
E:接触角 25°
T:尼龙保持架
P4:P4 级精度
DU:双列万能配对
H:
高转速
C:
陶瓷球
S:
密封型
7:
精密角接触球轴承
9:
尺寸系列:超轻 19 系列
22:
内径:110 mm
E:
接触角 25°
T:
尼龙保持架
P4:
P4 级精度
DU:
双列万能配对
公称型号 | ||
高速陶瓷球密封型 | HCS7922ETP4DU | |
主要尺寸(mm) | ||
内径 | d | 110 |
外径 | D | 150 |
厚度(单列) | B | 20 |
厚度(多列) | T | 40 |
倒角尺寸 | r(min) | 1.1 |
倒角尺寸 | r1(min) | 0.6 |
额定载荷(KN) | ||
基本额定动载荷 | Cr | 75 |
基本额定静载荷 | C0r | 70 |
极限载荷(KN) | ||
轴向-单个 | 44 | |
接触角 | ||
度 | ° | 25 |
系数 | ||
fo | - | |
作用点(mm) | ||
a | 40.3 | |
限制速度(rpm) | ||
脂润滑 | Grease | 12400 |
油润滑 | Oil | - |
安装尺寸(mm) | ||
da(min) | 117 | |
Da(max) | 143 | |
Db(max) | 145 | |
ra(max) | 1 | |
rb(max) | 0.6 | |
预紧力(N)-DU/DB/DF | ||
微预紧 | EL | 98 |
轻预紧 | L | 619 |
中预紧 | M | 1400 |
重预紧 | H | - |
轴承刚度(N/μm)-DU/DB/DF | ||
微预紧 | EL | 142 |
轻预紧 | L | 266 |
中预紧 | M | 356 |
重预紧 | H | - |
测量轴向游隙(μm) | ||
微预紧 | EL | 0 |
轻预紧 | L | -10 |
中预紧 | M | -20 |
重预紧 | H | - |
轴承组合 | ||
方式 | 万能 | |
列数 | 2 | |
重量(Kg) | ||
1.466 |

商品 | 品牌 | 主要尺寸 | 发货仓 | 产地 | 库存 | 含税单价 | VIP价 | 操作 |