产品分类

公称型号(按保持器区分) | ||
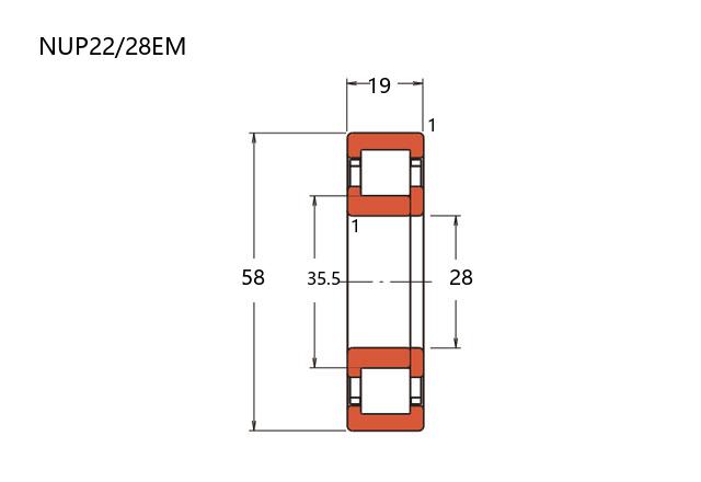
车削铜铆接式 | NUP22/28EM | |
车削铜窗式 | ||
冲压钢 | NUP22/28W | |
尼龙 | ||
主要尺寸(mm) | ||
内径 | d | 28 |
外径 | D | 58 |
厚度 | B | 19 |
r(min) | 1 | |
r1(min) | 0.6 | |
Fw | 35.5 | |
额定载荷(KN) | ||
基本额定动载荷 | Cr | 43000 |
基本额定静载荷 | Cor | 45000 |
极限速度(rpm) | ||
热参考速度 | 13000 | |
机械转速 | 18000 | |
脂润滑 | 10000 | |
安装尺寸(mm) | ||
da(min) | 32 | |
db(min) | 30 | |
db(max) | 33 | |
dc(min) | 38 | |
dd(min) | 42 | |
Da(max) | 54 | |
ra(max) | 1 | |
rb(max) | 0.6 | |
重量(kg) | 0.21 |

商品 | 品牌 | 主要尺寸 | 发货仓 | 产地 | 库存 | 含税单价 | VIP价 | 操作 |