产品分类
- 深沟球轴承
- 角接触球轴承
- 超高精密轴承
- 精密角接触球轴承
- 标准型
- 标准密封型-S
- 陶瓷球标准型-C
- 陶瓷球密封型-CS
- 高速小球型-HS
- 小球密封型-HSS
- 陶瓷小球型-HC
- 陶瓷小球密封型-HCS
- 超高速陶瓷球型-XC
- 超高速陶瓷球密封型-XCS
- 超高速小球型-XS
- 超高速小球密封型-XSS
- 油气润滑-标准钢球型
- 油气润滑-标准陶瓷球型
- 油气润滑-高速小球型
- 油气润滑-高速陶瓷球型
- 油气润滑-超高速小球型
- 油气润滑-超高速陶瓷球型
- 精密丝杠轴承
- 精密圆柱滚子轴承
- 调心球轴承
- 推力轴承
- 圆柱滚子轴承
- 圆锥滚子轴承
- 调心滚子轴承
- 交叉滚子轴承
- 超薄截面轴承
- 滚针轴承
- 滚轮轴承
- 关节轴承
- 直线运动
- 轴承附件

HC7936FTP4DU轴承
类型:【超高精密轴承 - 精密角接触球轴承】
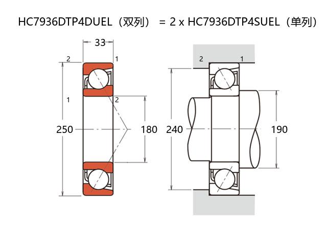
基本尺寸:内径:180 mm,外径:250 mm,厚度:66 mm。
价格区间:¥0 - ¥0【详情】
前缀列表:【H:高转速】【C:陶瓷球型】后缀列表:【F:18° 接触角】【T:树脂保持架】【P4:ISO 4级精度】【DU:两个万能组合】
HC7936FTP4DU属于超高精密角接触球轴承系列,其结构设计侧重于满足高转速与高刚性应用需求。该型号内径为180毫米,外径250毫米,厚度66毫米,尺寸规格适用于中等负载工况。作为陶瓷小球型轴承,其滚动体采用陶瓷材料,具备较低的热膨胀系数和优异的耐磨特性,有助于在高速运转时减少离心力影响,并抑制温升。
此类轴承常见于精密机床主轴、高速电主轴及测量仪器等设备,能够同时承受径向与轴向载荷。其内部填充特殊润滑脂,配合精密加工的沟道与保持架结构,可维持稳定的运行精度。由于材料与工艺的优化,该型号在长期连续工作中表现出良好的尺寸稳定性与寿命一致性。
在安装时需注意预紧力调整与配合公差控制,以充分发挥其性能潜力。实际应用中需结合具体工况条件进行选型验证,确保与设备需求相匹配。
H
C
7
9
3
6
F
T
P
4
D
U
H:高转速
C:陶瓷球型
7:精密角接触球轴承
9:尺寸系列:超轻 19 系列
36:内径:180 mm
F:18° 接触角
T:树脂保持架
P4:ISO 4级精度
DU:两个万能组合
H:
高转速
C:
陶瓷球型
7:
精密角接触球轴承
9:
尺寸系列:超轻 19 系列
36:
内径:180 mm
F:
18° 接触角
T:
树脂保持架
P4:
ISO 4级精度
DU:
两个万能组合
公称型号 | ||
高速陶瓷球型 | HC7936FTP4DU | |
主要尺寸(mm) | ||
内径 | d | 180 |
外径 | D | 250 |
厚度(单列) | B | 33 |
厚度(多列) | T | 66 |
倒角尺寸 | r(min) | 2 |
倒角尺寸 | r1(min) | 1 |
额定载荷(KN) | ||
基本额定动载荷 | Cr | 220 |
基本额定静载荷 | C0r | 228 |
极限载荷(KN) | ||
轴向-单个 | 114 | |
接触角 | ||
度 | ° | 18 |
系数 | ||
fo | 10.9 | |
作用点(mm) | ||
a | 51.4 | |
限制速度(rpm) | ||
脂润滑 | Grease | 8000 |
油润滑 | Oil | 12600 |
安装尺寸(mm) | ||
da(min) | 190 | |
Da(max) | 240 | |
Db(max) | 244 | |
ra(max) | 2 | |
rb(max) | 1 | |
预紧力(N)-DU/DB/DF | ||
微预紧 | EL | 196 |
轻预紧 | L | 1617 |
中预紧 | M | 3408 |
重预紧 | H | - |
轴承刚度(N/μm)-DU/DB/DF | ||
微预紧 | EL | 132 |
轻预紧 | L | 278 |
中预紧 | M | 371 |
重预紧 | H | - |
测量轴向游隙(μm) | ||
微预紧 | EL | 0 |
轻预紧 | L | -27 |
中预紧 | M | -49 |
重预紧 | H | - |
轴承组合 | ||
方式 | 万能 | |
列数 | 2 | |
重量(Kg) | ||
7.2 |

商品 | 品牌 | 主要尺寸 | 发货仓 | 产地 | 库存 | 含税单价 | VIP价 | 操作 |