产品分类

7603085-TVP轴承
类型:【超高精密轴承 - 精密丝杠轴承】
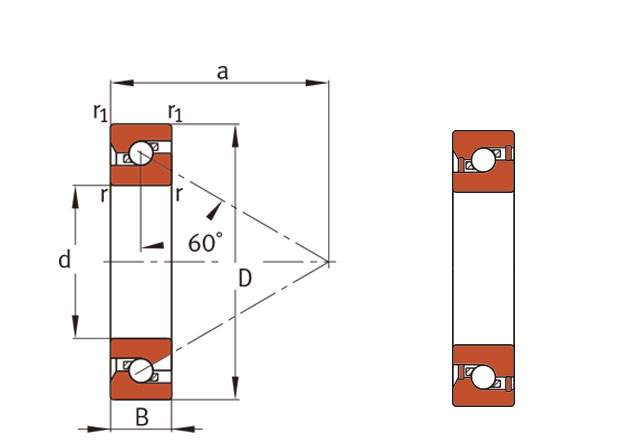
基本尺寸:内径:85 mm,外径:180 mm,厚度:41 mm。
价格区间:¥0 - ¥0【详情】
前缀列表:【7603:丝杠用单列推力角接触球轴承7603系列】后缀列表:【-TVP:玻璃纤维增强聚酰胺尼龙66窗式保持架】
7603085-TVP属于超高精密轴承中的精密丝杠轴承系列,其设计主要满足高精度传动场景的需求。该型号内径为85毫米,外径180毫米,厚度41毫米,尺寸规格在工业应用中较为常见,便于与其他机械部件配合使用。
7603系列轴承通常采用优化的滚道结构与密封设计,有助于降低运行时的摩擦阻力,同时提升刚性。此类轴承在承受轴向载荷方面表现较为稳定,部分型号还能适应中等转速工况。由于选材和工艺的差异,其耐用性和精度保持能力可能因使用条件而有所不同。
该系列轴承多见于数控机床、精密定位系统及自动化设备中的丝杠支撑部位,能够为传动系统提供一定的稳定性。在安装和维护过程中,合理的润滑与对中调整有助于延长其服务周期。实际应用中需结合具体环境选择配套方案,以达到预期效果。
7
6
0
3
0
8
5
-
T
V
P
7603:丝杠用单列推力角接触球轴承7603系列
085:内径代号,内径:85 mm
-TVP:玻璃纤维增强聚酰胺尼龙66窗式保持架
7603:
丝杠用单列推力角接触球轴承7603系列
085:
内径代号,内径:85 mm
-TVP:
玻璃纤维增强聚酰胺尼龙66窗式保持架
公称型号 | ||
7603系列 | 单向受力 | 7603085-TVP |
主要尺寸(mm) | ||
内径 | d | 85 |
外径 | D | 180 |
厚度 | B | 41 |
尺寸(mm) | ||
r(min) | 1.5 | |
r1(min) | 1.1 | |
a | 136 | |
安装尺寸(mm) | ||
H12 | Da(max) | 172 |
h12 | da(min) | 95 |
额定载荷(KN) | ||
基本额定动载荷 | Cr | 160 |
基本额定静载荷 | Cor | 540 |
疲劳极限载荷 | ||
轴向 | Cua(KN) | – |
极限速度(rpm) | ||
脂润滑 | – | |
热安全工作转速 | ||
(nυ) | 1000 | |
摩擦扭矩 | ||
(Nm) | – | |
刚度 | ||
(N/μm) | – | |
轴向跳动 | ||
(μm) | – | |
精密锁紧螺母 | ||
径向用 | – | |
轴向用 | – | |
拧紧扭矩 | ||
(Nm) | – | |
锁紧螺母轴向力 | ||
(KN) | – | |
重量(kg) | 5.29 |

商品 | 品牌 | 主要尺寸 | 发货仓 | 产地 | 库存 | 含税单价 | VIP价 | 操作 |