您好!欢迎光临「高可智选」 尊敬的会员【{{account}}】,欢迎回到「高可智选」
English 请登录 免费注册 我在高可 我的收藏

CRBT805轴承尺寸、参数、图纸、前后缀及代号系统

CRBT805轴承

更新日期:

类型:【交叉滚子轴承 - 交叉滚子轴承】

基本尺寸:内径:80 mm,外径:91 mm,厚度:5 mm。

价格区间:¥0 - ¥0【详情】

前缀列表:【CRB:cross roller bearings(交叉滚子轴承)】【T:超薄型】

CRBT805轴承介绍

CRBT805属于交叉滚子轴承系列中的CRBT超薄型产品,其结构设计紧凑,适用于安装空间受限的场合。该型号的基本尺寸为内径80毫米、外径91毫米、厚度5毫米,整体尺寸较小,便于集成到各类精密设备中。

交叉滚子轴承通过滚子呈交叉排列,能够同时承受径向载荷、轴向载荷及倾覆力矩,具备较高的刚性和旋转精度。CRBT超薄型系列在保持性能的同时,进一步减小了轴向尺寸,适用于对结构轻薄化有要求的应用场景。

该型号常见于工业机器人关节、精密旋转台、医疗仪器及光学调试装置等设备中,能够满足高精度定位和平稳运转的需求。其材料与工艺均遵循行业标准,确保在常规工作条件下的耐用性和可靠性。用户在选择时需结合具体负载、速度及环境条件进行综合评估,以保障系统匹配的合理性。

CRBT805轴承前后缀、代号系统
C
R
B
T
8
0
5
CRB:cross roller bearings(交叉滚子轴承)
T:超薄型
80:内径代号,公称内径:80 mm
5:厚度代号,公称厚度:5 mm
CRB:
cross roller bearings(交叉滚子轴承)
T:
超薄型
80:
内径代号,公称内径:80 mm
5:
厚度代号,公称厚度:5 mm
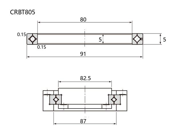
CRBT805轴承尺寸、参数、图纸
公称型号(按密封形式区分)
品牌:CALOX 开式 CRBT805
密封型 -
主要尺寸(mm)
内径 d 80
外径 D 91
厚度 B 5
r1(min) 0.15
滚柱节圆直径
dp 84.7
额定载荷(KN)
基本额定动载荷 Cr 3.06
基本额定静载荷 Cor 5.42
润滑孔
a -
b -
安装尺寸(mm)
高可实测 ds 82.5
Dh 87
重量(kg) 0.05
参数图
CRBT805轴承产品列表
商品 品牌 主要尺寸 发货仓 产地 库存 含税单价 VIP价 操作
CRBT805相关轴承、大牌PK推荐