产品分类
- 深沟球轴承
- 角接触球轴承
- 超高精密轴承
- 精密角接触球轴承
- 标准型
- 标准密封型-S
- 陶瓷球标准型-C
- 陶瓷球密封型-CS
- 高速小球型-HS
- 小球密封型-HSS
- 陶瓷小球型-HC
- 陶瓷小球密封型-HCS
- 超高速陶瓷球型-XC
- 超高速陶瓷球密封型-XCS
- 超高速小球型-XS
- 超高速小球密封型-XSS
- 油气润滑-标准钢球型
- 油气润滑-标准陶瓷球型
- 油气润滑-高速小球型
- 油气润滑-高速陶瓷球型
- 油气润滑-超高速小球型
- 油气润滑-超高速陶瓷球型
- 精密丝杠轴承
- 精密圆柱滚子轴承
- 调心球轴承
- 推力轴承
- 圆柱滚子轴承
- 圆锥滚子轴承
- 调心滚子轴承
- 交叉滚子轴承
- 超薄截面轴承
- 滚针轴承
- 滚轮轴承
- 关节轴承
- 直线运动
- 轴承附件

HCS7921FTP4DU轴承
类型:【超高精密轴承 - 精密角接触球轴承】
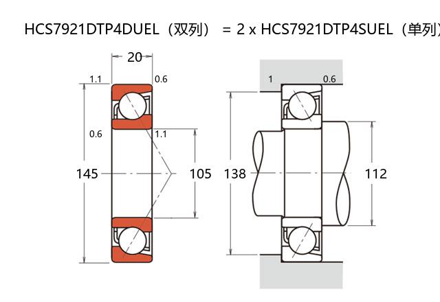
基本尺寸:内径:105 mm,外径:145 mm,厚度:40 mm。
价格区间:¥0 - ¥0【详情】
前缀列表:【H:高转速】【C:陶瓷球】【S:密封型】后缀列表:【F:接触角 18°】【T:尼龙保持架】【P4:P4 级精度】【DU:双列万能配对】
HCS7921FTP4DU属于超高精密角接触球轴承系列,其结构设计针对高精度回转需求进行优化。该型号的基本尺寸为内径105毫米、外径145毫米、厚度40毫米,采用陶瓷小球作为滚动体,在降低旋转惯性的同时增强了耐磨性能。内外圈采用优质钢材并经过特殊热处理工艺,配合精密磨削加工,确保运行过程中的尺寸稳定性。
该轴承采用接触式密封结构,可有效防止润滑剂泄漏并阻挡外部污染物侵入。此类设计使其在持续高速运转条件下仍能维持较低的温升,延长使用寿命。轴承内部填充高性能润滑脂,满足不同安装方向的应用需求,尤其适用于对刚性和精度均有严格要求的机床主轴、电主轴及测量仪器等场合。
系列中的陶瓷球材料具有优异的电气绝缘特性,有助于减少电流腐蚀风险。通过合理的预载荷配置,可进一步控制轴向与径向跳动误差,提升系统回转精度。这类轴承在长期连续运转中表现出良好的动态平衡特性,为精密设备提供可靠支撑。
H
C
S
7
9
2
1
F
T
P
4
D
U
H:高转速
C:陶瓷球
S:密封型
7:精密角接触球轴承
9:尺寸系列:超轻 19 系列
21:内径:105 mm
F:接触角 18°
T:尼龙保持架
P4:P4 级精度
DU:双列万能配对
H:
高转速
C:
陶瓷球
S:
密封型
7:
精密角接触球轴承
9:
尺寸系列:超轻 19 系列
21:
内径:105 mm
F:
接触角 18°
T:
尼龙保持架
P4:
P4 级精度
DU:
双列万能配对
公称型号 | ||
高速陶瓷球密封型 | HCS7921FTP4DU | |
主要尺寸(mm) | ||
内径 | d | 105 |
外径 | D | 145 |
厚度(单列) | B | 20 |
厚度(多列) | T | 40 |
倒角尺寸 | r(min) | 1.1 |
倒角尺寸 | r1(min) | 0.6 |
额定载荷(KN) | ||
基本额定动载荷 | Cr | 77 |
基本额定静载荷 | C0r | 70 |
极限载荷(KN) | ||
轴向-单个 | 39 | |
接触角 | ||
度 | ° | 18 |
系数 | ||
fo | 10.8 | |
作用点(mm) | ||
a | 30.3 | |
限制速度(rpm) | ||
脂润滑 | Grease | 14400 |
油润滑 | Oil | - |
安装尺寸(mm) | ||
da(min) | 112 | |
Da(max) | 138 | |
Db(max) | 140 | |
ra(max) | 1 | |
rb(max) | 0.6 | |
预紧力(N)-DU/DB/DF | ||
微预紧 | EL | 98 |
轻预紧 | L | 370 |
中预紧 | M | 1032 |
重预紧 | H | - |
轴承刚度(N/μm)-DU/DB/DF | ||
微预紧 | EL | 83 |
轻预紧 | L | 133 |
中预紧 | M | 196 |
重预紧 | H | - |
测量轴向游隙(μm) | ||
微预紧 | EL | 0 |
轻预紧 | L | -10 |
中预紧 | M | -26 |
重预紧 | H | - |
轴承组合 | ||
方式 | 万能 | |
列数 | 2 | |
重量(Kg) | ||
1.386 |

商品 | 品牌 | 主要尺寸 | 发货仓 | 产地 | 库存 | 含税单价 | VIP价 | 操作 |