产品分类

7072BM轴承
类型:【角接触球轴承 - 角接触球轴承】
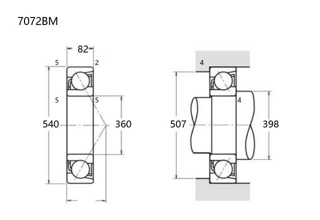
基本尺寸:内径:360 mm,外径:540 mm,厚度:82 mm。
价格区间:¥36838.2 - ¥54261.11【详情】
后缀列表:【B:接触角 40°】【M:实体黄铜保持架】
7072BM属于角接触球轴承系列,内径为360毫米,外径540毫米,厚度82毫米,采用英制尺寸标准。该轴承设计用于承受径向和轴向联合载荷,尤其适用于高速旋转和高精度要求的场合。其接触角结构优化了载荷分布,有助于提升运行稳定性。
制造过程中,材料通常选用高强度合金钢,并经过适当的热处理以增强耐磨性和疲劳寿命。该型号属于普通精度等级,涵盖P0、P6和P5级别,可满足不同工况下的基本需求。安装时需注意预紧力和对中精度,以避免早期失效。
此类轴承常见于中型工业设备中,如传动系统、泵类设备和通用机械领域。选型时需综合考虑载荷条件、转速范围及环境因素,确保匹配应用需求。维护中建议定期检查润滑状态和运行温度,以延长使用寿命。
7
0
7
2
B
M
7:角接触球轴承
0:尺寸系列:超轻 10 系列
72:内径:360 mm
B:接触角 40°
M:实体黄铜保持架
7:
角接触球轴承
0:
尺寸系列:超轻 10 系列
72:
内径:360 mm
B:
接触角 40°
M:
实体黄铜保持架
公称型号(按保持器区分) | ||
冲压钢 | ||
尼龙 | 7072BTN | |
车削铜 | 7072BM | |
主要尺寸(mm) | ||
内径 | d | 360 |
外径 | D | 540 |
厚度 | B | 82 |
r(min) | 5 | |
r1(min) | 2 | |
接触角 | ||
α(度) | 40° | |
额定载荷(KN) | ||
动载荷 | Cr(单列) | 475 |
基本额定静载荷 | Cor(单列) | 865 |
系数 | ||
f0 | — | |
限制速度(rpm) | ||
脂润滑 | ||
油润滑 | ||
载荷中心(mm) | ||
a(单列) | 229.9 | |
安装尺寸(mm) | ||
da(min) | 398 | |
Da(max) | 507 | |
ra(max) | 4 | |
db(min) | — | |
Db(max) | 519 | |
rb(max) | 2 | |
重量(kg) | ||
单列 | 63.6 |

商品 | 品牌 | 主要尺寸 | 发货仓 | 产地 | 库存 | 含税单价 | VIP价 | 操作 |
SKF 7072 BGM轴承 角接触球轴承 |
SKF | 360 X 540 X 82 | 西北 | 随机 | 2 | 54261.11 | ¥43408.89 | |
FAG 7072-B-MP-UA轴承 单列角接触球轴承 |
FAG | 360 X 540 X 82 | 华东 | 意大利 | 6 | 42732.31 | ¥36838.2 | |