产品分类
- 深沟球轴承
- 角接触球轴承
- 超高精密轴承
- 精密角接触球轴承
- 标准型
- 标准密封型-S
- 陶瓷球标准型-C
- 陶瓷球密封型-CS
- 高速小球型-HS
- 小球密封型-HSS
- 陶瓷小球型-HC
- 陶瓷小球密封型-HCS
- 超高速陶瓷球型-XC
- 超高速陶瓷球密封型-XCS
- 超高速小球型-XS
- 超高速小球密封型-XSS
- 油气润滑-标准钢球型
- 油气润滑-标准陶瓷球型
- 油气润滑-高速小球型
- 油气润滑-高速陶瓷球型
- 油气润滑-超高速小球型
- 油气润滑-超高速陶瓷球型
- 精密丝杠轴承
- 精密圆柱滚子轴承
- 调心球轴承
- 推力轴承
- 圆柱滚子轴承
- 圆锥滚子轴承
- 调心滚子轴承
- 交叉滚子轴承
- 超薄截面轴承
- 滚针轴承
- 滚轮轴承
- 关节轴承
- 直线运动
- 轴承附件

HCS7915FTP4DU轴承
类型:【超高精密轴承 - 精密角接触球轴承】
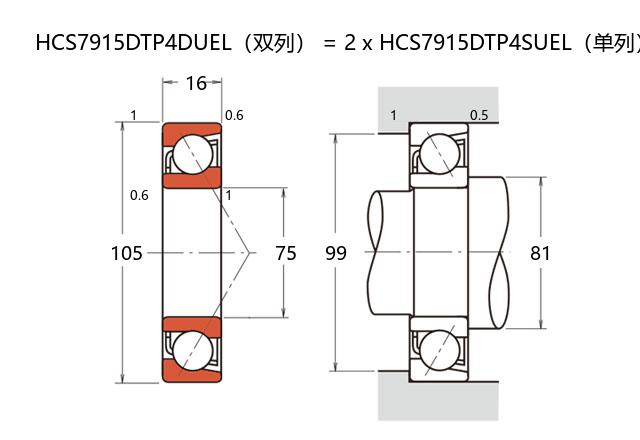
基本尺寸:内径:75 mm,外径:105 mm,厚度:32 mm。
价格区间:¥0 - ¥0【详情】
前缀列表:【H:高转速】【C:陶瓷球】【S:密封型】后缀列表:【F:接触角 18°】【T:尼龙保持架】【P4:P4 级精度】【DU:双列万能配对】
HCS7915FTP4DU是一款超高精密角接触球轴承,其基本尺寸为内径75毫米、外径105毫米、厚度32毫米。该型号属于陶瓷小球密封型设计,采用高性能陶瓷材质作为滚动体,具备轻量化、高刚性及耐腐蚀特性,能够在高速运转条件下保持稳定的动态性能。内部密封结构有助于在复杂工况下阻隔污染物侵入,同时维持润滑剂的有效留存,从而延长使用寿命。
此类轴承适用于高转速、高精度要求的设备场景,例如精密机床主轴、电主轴及测量仪器等。其角接触结构可同时承受径向与轴向复合载荷,并通过优化的预紧力调整进一步提升运转平稳性。在长期连续工作中,该型号展现出良好的热稳定性和抗疲劳性能,适合对精度 retention 有严格要求的工业应用。整体设计兼顾了轻量化与耐用需求,为精密传动系统提供了可靠支撑。
H
C
S
7
9
1
5
F
T
P
4
D
U
H:高转速
C:陶瓷球
S:密封型
7:精密角接触球轴承
9:尺寸系列:超轻 19 系列
15:内径:75 mm
F:接触角 18°
T:尼龙保持架
P4:P4 级精度
DU:双列万能配对
H:
高转速
C:
陶瓷球
S:
密封型
7:
精密角接触球轴承
9:
尺寸系列:超轻 19 系列
15:
内径:75 mm
F:
接触角 18°
T:
尼龙保持架
P4:
P4 级精度
DU:
双列万能配对
公称型号 | ||
高速陶瓷球密封型 | HCS7915FTP4DU | |
主要尺寸(mm) | ||
内径 | d | 75 |
外径 | D | 105 |
厚度(单列) | B | 16 |
厚度(多列) | T | 32 |
倒角尺寸 | r(min) | 1 |
倒角尺寸 | r1(min) | 0.6 |
额定载荷(KN) | ||
基本额定动载荷 | Cr | 43.2 |
基本额定静载荷 | C0r | 36.4 |
极限载荷(KN) | ||
轴向-单个 | 18 | |
接触角 | ||
度 | ° | 18 |
系数 | ||
fo | 10.9 | |
作用点(mm) | ||
a | 22.6 | |
限制速度(rpm) | ||
脂润滑 | Grease | 20000 |
油润滑 | Oil | - |
安装尺寸(mm) | ||
da(min) | 81 | |
Da(max) | 99 | |
Db(max) | 100 | |
ra(max) | 1 | |
rb(max) | 0.5 | |
预紧力(N)-DU/DB/DF | ||
微预紧 | EL | 49 |
轻预紧 | L | 205 |
中预紧 | M | 528 |
重预紧 | H | - |
轴承刚度(N/μm)-DU/DB/DF | ||
微预紧 | EL | 58 |
轻预紧 | L | 96 |
中预紧 | M | 138 |
重预紧 | H | - |
测量轴向游隙(μm) | ||
微预紧 | EL | 0 |
轻预紧 | L | -8 |
中预紧 | M | -19 |
重预紧 | H | - |
轴承组合 | ||
方式 | 万能 | |
列数 | 2 | |
重量(Kg) | ||
0.62 |

商品 | 品牌 | 主要尺寸 | 发货仓 | 产地 | 库存 | 含税单价 | VIP价 | 操作 |