您好!欢迎光临「高可智选」 尊敬的会员【{{account}}】,欢迎回到「高可智选」
English 请登录 免费注册 我在高可 我的收藏

RA4008UU轴承尺寸、参数、图纸、前后缀及代号系统

RA4008UU轴承

更新日期:

类型:【交叉滚子轴承 - 交叉滚子轴承】

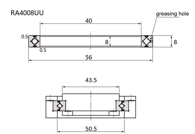
基本尺寸:内径:40 mm,外径:56 mm,厚度:8 mm。

价格区间:¥0 - ¥0【详情】

前缀列表:【RA:薄型交叉滚子轴承】后缀列表:【UU:密封型,两侧有橡胶密封圈】

RA4008UU轴承介绍

RA4008UU是一款薄型交叉滚子轴承,其基本尺寸为内径40毫米、外径56毫米、厚度8毫米。该轴承属于RA薄型系列,具有结构紧凑的特点,适用于对安装空间有限制的场合。

交叉滚子轴承通过滚子呈交叉排列,能够同时承受径向载荷、轴向载荷及倾覆力矩。RA4008UU在设计中注重减小截面高度,有助于设备实现轻量化和节省空间。由于采用薄型结构,它在保持基本承载能力的同时,降低了整体尺寸,适合用于工业机器人、精密旋转台及测量仪器等要求高刚性和精度的领域。

该型号轴承在运行中表现出较高的旋转精度和稳定性,能够满足中等载荷条件下的使用需求。在选用时需结合具体工况,综合考虑载荷类型、速度范围及环境条件等因素,确保其性能得到合理发挥。维护时应注意保持润滑状态,避免污染,以延长使用寿命。

RA4008UU轴承前后缀、代号系统
R
A
4
0
0
8
U
U
RA:薄型交叉滚子轴承
40:内径代号,公称内径:40 mm
08:厚度代号,公称厚度:8 mm
UU:密封型,两侧有橡胶密封圈
RA:
薄型交叉滚子轴承
40:
内径代号,公称内径:40 mm
08:
厚度代号,公称厚度:8 mm
UU:
密封型,两侧有橡胶密封圈
RA4008UU轴承尺寸、参数、图纸
公称型号(按密封形式区分)
品牌:CALOX 开式 RA4008
密封型 RA4008UU
主要尺寸(mm)
内径 d 40
外径 D 56
厚度 B 8
r1(min) 0.5
滚柱节圆直径
dp 47
额定载荷(KN)
基本额定动载荷 Cr 4.2
基本额定静载荷 Cor 5.83
润滑孔
a 2
b 0.8
安装尺寸(mm)
高可实测 ds 43.5
Dh 50.5
重量(kg) 0.07
参数图
RA4008UU轴承产品列表
商品 品牌 主要尺寸 发货仓 产地 库存 含税单价 VIP价 操作
RA4008UU相关轴承、大牌PK推荐