产品分类
- 深沟球轴承
- 角接触球轴承
- 超高精密轴承
- 精密角接触球轴承
- 标准型
- 标准密封型-S
- 陶瓷球标准型-C
- 陶瓷球密封型-CS
- 高速小球型-HS
- 小球密封型-HSS
- 陶瓷小球型-HC
- 陶瓷小球密封型-HCS
- 超高速陶瓷球型-XC
- 超高速陶瓷球密封型-XCS
- 超高速小球型-XS
- 超高速小球密封型-XSS
- 油气润滑-标准钢球型
- 油气润滑-标准陶瓷球型
- 油气润滑-高速小球型
- 油气润滑-高速陶瓷球型
- 油气润滑-超高速小球型
- 油气润滑-超高速陶瓷球型
- 精密丝杠轴承
- 精密圆柱滚子轴承
- 调心球轴承
- 推力轴承
- 圆柱滚子轴承
- 圆锥滚子轴承
- 调心滚子轴承
- 交叉滚子轴承
- 超薄截面轴承
- 滚针轴承
- 滚轮轴承
- 关节轴承
- 直线运动
- 轴承附件

HCS7028FTP4DU轴承
类型:【超高精密轴承 - 精密角接触球轴承】
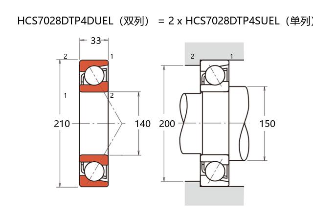
基本尺寸:内径:140 mm,外径:210 mm,厚度:66 mm。
价格区间:¥0 - ¥0【详情】
前缀列表:【H:高转速】【C:陶瓷球】【S:密封型】后缀列表:【F:接触角 18°】【T:尼龙保持架】【P4:P4 级精度】【DU:双列万能配对】
HCS7028FTP4DU是一种精密角接触球轴承,属于超高精密轴承类别。其基本结构包括内径140mm、外径210mm及厚度66mm的紧凑设计,适用于对刚性和空间布局有较高要求的应用场景。此类轴承采用陶瓷小球作为滚动体,有效降低了旋转时的惯性力,同时提升了高速运转下的稳定性。密封结构的设计进一步防止污染物侵入,延长了轴承在严苛环境中的使用寿命。
该型号轴承的接触角经过优化,可同时承受径向与轴向联合载荷,特别适合高转速且需精确轴向导轨的设备。在机床主轴、精密仪器及高速电机等领域具有广泛的应用潜力。由于采用特殊材料与密封技术,它在减少摩擦损耗和抑制温升方面表现良好,有助于维持系统长期运行的精度一致性。选用时需结合具体工况,综合考虑负载分布、转速范围及润滑条件等因素,以确保性能匹配。
H
C
S
7
0
2
8
F
T
P
4
D
U
H:高转速
C:陶瓷球
S:密封型
7:精密角接触球轴承
0:尺寸系列:超轻 10 系列
28:内径:140 mm
F:接触角 18°
T:尼龙保持架
P4:P4 级精度
DU:双列万能配对
H:
高转速
C:
陶瓷球
S:
密封型
7:
精密角接触球轴承
0:
尺寸系列:超轻 10 系列
28:
内径:140 mm
F:
接触角 18°
T:
尼龙保持架
P4:
P4 级精度
DU:
双列万能配对
公称型号 | ||
高速陶瓷球密封型 | HCS7028FTP4DU | |
主要尺寸(mm) | ||
内径 | d | 140 |
外径 | D | 210 |
厚度(单列) | B | 33 |
厚度(多列) | T | 66 |
倒角尺寸 | r(min) | 2 |
倒角尺寸 | r1(min) | 1 |
额定载荷(KN) | ||
基本额定动载荷 | Cr | 130 |
基本额定静载荷 | C0r | 137 |
极限载荷(KN) | ||
轴向-单个 | 63.5 | |
接触角 | ||
度 | ° | 18 |
系数 | ||
fo | 11 | |
作用点(mm) | ||
a | 44.9 | |
限制速度(rpm) | ||
脂润滑 | Grease | 10300 |
油润滑 | Oil | - |
安装尺寸(mm) | ||
da(min) | 150 | |
Da(max) | 200 | |
Db(max) | 204 | |
ra(max) | 2 | |
rb(max) | 1 | |
预紧力(N)-DU/DB/DF | ||
微预紧 | EL | 196 |
轻预紧 | L | 848 |
中预紧 | M | 1865 |
重预紧 | H | - |
轴承刚度(N/μm)-DU/DB/DF | ||
微预紧 | EL | 128 |
轻预紧 | L | 215 |
中预紧 | M | 292 |
重预紧 | H | - |
测量轴向游隙(μm) | ||
微预紧 | EL | 0 |
轻预紧 | L | -15 |
中预紧 | M | -31 |
重预紧 | H | - |
轴承组合 | ||
方式 | 万能 | |
列数 | 2 | |
重量(Kg) | ||
6.84 |

商品 | 品牌 | 主要尺寸 | 发货仓 | 产地 | 库存 | 含税单价 | VIP价 | 操作 |