产品分类
- 深沟球轴承
- 角接触球轴承
- 超高精密轴承
- 精密角接触球轴承
- 标准型
- 标准密封型-S
- 陶瓷球标准型-C
- 陶瓷球密封型-CS
- 高速小球型-HS
- 小球密封型-HSS
- 陶瓷小球型-HC
- 陶瓷小球密封型-HCS
- 超高速陶瓷球型-XC
- 超高速陶瓷球密封型-XCS
- 超高速小球型-XS
- 超高速小球密封型-XSS
- 油气润滑-标准钢球型
- 油气润滑-标准陶瓷球型
- 油气润滑-高速小球型
- 油气润滑-高速陶瓷球型
- 油气润滑-超高速小球型
- 油气润滑-超高速陶瓷球型
- 精密丝杠轴承
- 精密圆柱滚子轴承
- 调心球轴承
- 推力轴承
- 圆柱滚子轴承
- 圆锥滚子轴承
- 调心滚子轴承
- 交叉滚子轴承
- 超薄截面轴承
- 滚针轴承
- 滚轮轴承
- 关节轴承
- 直线运动
- 轴承附件

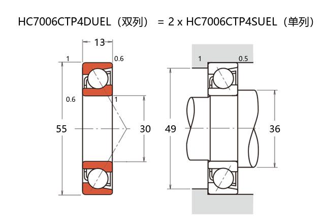
HC7006CTP4DU轴承
类型:【超高精密轴承 - 精密角接触球轴承】
基本尺寸:内径:30 mm,外径:55 mm,厚度:26 mm。
价格区间:¥1029 - ¥6914.39【详情】
前缀列表:【H:高转速】【C:陶瓷球型】后缀列表:【C:接触角 15°】【T:树脂保持架】【P4:ISO 4级精度】【DU:两个万能组合】
HC7006CTP4DU型轴承属于超高精密角接触球轴承系列,其内径为30毫米,外径55毫米,厚度26毫米。该型号采用陶瓷小球设计,有效降低了高速运转时的离心力效应,同时提升了耐磨性与刚性。由于材料特性,陶瓷小球有助于减少温升并延长使用寿命,尤其适用于高转速及温差变化较大的工况环境。
在结构设计上,该轴承通过优化的接触角与滚道几何形状,提供了稳定的轴向和径向承载能力。精密制造工艺确保其运转时的平稳性与低振动特性,满足对运动精度要求较高的应用场景需求。此类轴承常见于机床主轴、电主轴及测量仪器等设备中,能够支持设备实现较高的旋转精度与动态响应性能。
需要注意的是,实际使用效果会受到配合部件精度、润滑条件及安装方式等多重因素影响。建议在选型时结合具体工况参数进行综合评估,以确保发挥其最佳性能。
H
C
7
0
0
6
C
T
P
4
D
U
H:高转速
C:陶瓷球型
7:精密角接触球轴承
0:尺寸系列:超轻 10 系列
06:内径:30 mm
C:接触角 15°
T:树脂保持架
P4:ISO 4级精度
DU:两个万能组合
H:
高转速
C:
陶瓷球型
7:
精密角接触球轴承
0:
尺寸系列:超轻 10 系列
06:
内径:30 mm
C:
接触角 15°
T:
树脂保持架
P4:
ISO 4级精度
DU:
两个万能组合
公称型号 | ||
高速陶瓷球型 | HC7006CTP4DU | |
主要尺寸(mm) | ||
内径 | d | 30 |
外径 | D | 55 |
厚度(单列) | B | 13 |
厚度(多列) | T | 26 |
倒角尺寸 | r(min) | 1 |
倒角尺寸 | r1(min) | 0.6 |
额定载荷(KN) | ||
基本额定动载荷 | Cr | 18.72 |
基本额定静载荷 | C0r | 10.4 |
极限载荷(KN) | ||
轴向-单个 | 8.2 | |
接触角 | ||
度 | ° | 15 |
系数 | ||
fo | 7.9 | |
作用点(mm) | ||
a | 12.2 | |
限制速度(rpm) | ||
脂润滑 | Grease | 47000 |
油润滑 | Oil | 73000 |
安装尺寸(mm) | ||
da(min) | 36 | |
Da(max) | 49 | |
Db(max) | 50 | |
ra(max) | 1 | |
rb(max) | 0.5 | |
预紧力(N)-DU/DB/DF | ||
微预紧 | EL | 50 |
轻预紧 | L | 106 |
中预紧 | M | 150 |
重预紧 | H | 300 |
轴承刚度(N/μm)-DU/DB/DF | ||
微预紧 | EL | 28 |
轻预紧 | L | 44 |
中预紧 | M | 60 |
重预紧 | H | - |
测量轴向游隙(μm) | ||
微预紧 | EL | 0 |
轻预紧 | L | -5 |
中预紧 | M | -13 |
重预紧 | H | - |
轴承组合 | ||
方式 | 万能 | |
列数 | 2 | |
重量(Kg) | ||
0.2 |

商品 | 品牌 | 主要尺寸 | 发货仓 | 产地 | 库存 | 含税单价 | VIP价 | 操作 |
NTN 5S-BNT006P2轴承 精密角接触球 |
NTN | 30 X 55 X 26 | 华北 | 日本 | 1 | 1245.09 | ¥1029 | |
SKF 7006 CE/HCDGAVQ126轴承 超精密角接触球轴承E设计 |
SKF | 30 X 55 X 26 | 华北 | 意大利 | 1 | 1322.47 | ¥1111.32 | |
SKF 7006 CE/HCP4ADGA轴承 超精密角接触球轴承E设计 |
SKF | 30 X 55 X 26 | 华东 | 意大利 | 12 | 2427.93 | ¥2006.55 | |
SKF 7006 CE/HCP4ADGAVG275轴承 超精密角接触球轴承E设计 |
SKF | 30 X 55 X 26 | 华南 | 1 | 2227.27 | ¥1903.65 | ||
SKF 7006 CE/HCPA9ADGA轴承 超精密角接触球轴承E设计 |
SKF | 30 X 55 X 26 | 华南 | 7 | 6914.39 | ¥6173.56 | ||
篇幅有限,仅显示五条,更多可点击:搜索,或者:深度搜索 |