产品分类
- 深沟球轴承
- 角接触球轴承
- 超高精密轴承
- 精密角接触球轴承
- 标准型
- 标准密封型-S
- 陶瓷球标准型-C
- 陶瓷球密封型-CS
- 高速小球型-HS
- 小球密封型-HSS
- 陶瓷小球型-HC
- 陶瓷小球密封型-HCS
- 超高速陶瓷球型-XC
- 超高速陶瓷球密封型-XCS
- 超高速小球型-XS
- 超高速小球密封型-XSS
- 油气润滑-标准钢球型
- 油气润滑-标准陶瓷球型
- 油气润滑-高速小球型
- 油气润滑-高速陶瓷球型
- 油气润滑-超高速小球型
- 油气润滑-超高速陶瓷球型
- 精密丝杠轴承
- 精密圆柱滚子轴承
- 调心球轴承
- 推力轴承
- 圆柱滚子轴承
- 圆锥滚子轴承
- 调心滚子轴承
- 交叉滚子轴承
- 超薄截面轴承
- 滚针轴承
- 滚轮轴承
- 关节轴承
- 直线运动
- 轴承附件

HS7916FTP4DU轴承
类型:【超高精密轴承 - 精密角接触球轴承】
基本尺寸:内径:80 mm,外径:110 mm,厚度:32 mm。
价格区间:¥0 - ¥0【详情】
前缀列表:【H:高转速】【S:小球型】后缀列表:【F:接触角 18°】【T:聚酰胺尼龙保持架】【P4:P4 级精度】【DU:两个万能组合】
HS7916FTP4DU型轴承属于超高精密角接触球轴承系列,专为高速小球的工况设计。其基本尺寸为内径80毫米、外径110毫米、厚度32毫米,结构紧凑且具备较高的刚性。该型号采用特定的材料和热处理工艺,有助于在高速运转条件下保持尺寸稳定性。
此类轴承通常应用于对旋转精度和动态性能要求较高的设备,例如精密机床主轴或高转速电主轴系统。通过优化内部接触角与滚道几何形状,能够同时承受径向和轴向载荷,并在高速环境下维持较低的温升。部分设计还可能包含特殊的润滑管理方案,以延长使用寿命。
制造过程中采用精密的加工与检测技术,确保关键尺寸公差和旋转精度符合相关标准。选型时需结合实际工况条件评估其适配性,包括负载分布、转速范围及环境因素等。这类轴承在工业领域的高精度旋转系统中具有广泛的应用价值。
H
S
7
9
1
6
F
T
P
4
D
U
H:高转速
S:小球型
7:精密角接触球轴承
9:尺寸系列:超轻 19 系列
16:内径:80 mm
F:接触角 18°
T:聚酰胺尼龙保持架
P4:P4 级精度
DU:两个万能组合
H:
高转速
S:
小球型
7:
精密角接触球轴承
9:
尺寸系列:超轻 19 系列
16:
内径:80 mm
F:
接触角 18°
T:
聚酰胺尼龙保持架
P4:
P4 级精度
DU:
两个万能组合
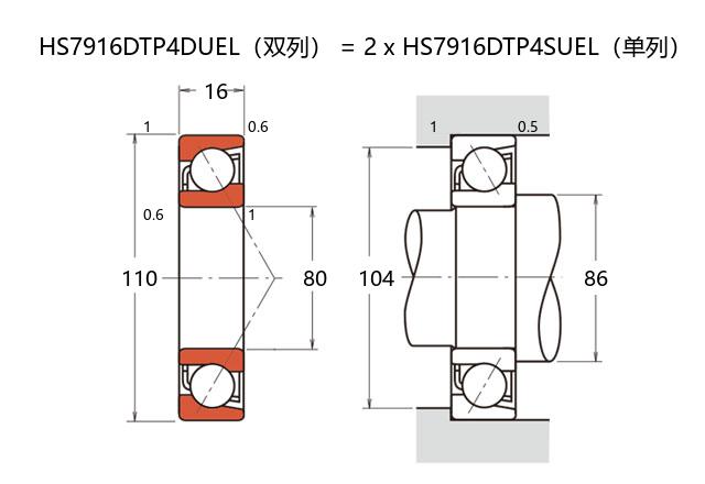
公称型号 | ||
高速小球型 | HS7916FTP4DU | |
主要尺寸(mm) | ||
内径 | d | 80 |
外径 | D | 110 |
厚度(单列) | B | 16 |
厚度(多列) | T | 32 |
倒角尺寸 | r(min) | 1 |
倒角尺寸 | r1(min) | 0.6 |
额定载荷(KN) | ||
基本额定动载荷 | Cr | 44 |
基本额定静载荷 | C0r | 39.8 |
极限载荷(KN) | ||
轴向-单个 | 28.9 | |
接触角 | ||
度 | ° | 18 |
系数 | ||
fo | 11 | |
作用点(mm) | ||
a | 23.4 | |
限制速度(rpm) | ||
脂润滑 | Grease | 15800 |
油润滑 | Oil | 22600 |
安装尺寸(mm) | ||
da(min) | 86 | |
Da(max) | 104 | |
Db(max) | 105 | |
ra(max) | 1 | |
rb(max) | 0.5 | |
预紧力(N)-DU/DB/DF | ||
微预紧 | EL | 49 |
轻预紧 | L | 190 |
中预紧 | M | 478 |
重预紧 | H | - |
轴承刚度(N/μm)-DU/DB/DF | ||
微预紧 | EL | 53 |
轻预紧 | L | 86 |
中预紧 | M | 123 |
重预紧 | H | - |
测量轴向游隙(μm) | ||
微预紧 | EL | 0 |
轻预紧 | L | -8 |
中预紧 | M | -19 |
重预紧 | H | - |
轴承组合 | ||
方式 | 万能 | |
列数 | 2 | |
重量(Kg) | ||
0.732 |

商品 | 品牌 | 主要尺寸 | 发货仓 | 产地 | 库存 | 含税单价 | VIP价 | 操作 |