产品分类
- 深沟球轴承
- 角接触球轴承
- 超高精密轴承
- 精密角接触球轴承
- 标准型
- 标准密封型-S
- 陶瓷球标准型-C
- 陶瓷球密封型-CS
- 高速小球型-HS
- 小球密封型-HSS
- 陶瓷小球型-HC
- 陶瓷小球密封型-HCS
- 超高速陶瓷球型-XC
- 超高速陶瓷球密封型-XCS
- 超高速小球型-XS
- 超高速小球密封型-XSS
- 油气润滑-标准钢球型
- 油气润滑-标准陶瓷球型
- 油气润滑-高速小球型
- 油气润滑-高速陶瓷球型
- 油气润滑-超高速小球型
- 油气润滑-超高速陶瓷球型
- 精密丝杠轴承
- 精密圆柱滚子轴承
- 调心球轴承
- 推力轴承
- 圆柱滚子轴承
- 圆锥滚子轴承
- 调心滚子轴承
- 交叉滚子轴承
- 超薄截面轴承
- 滚针轴承
- 滚轮轴承
- 关节轴承
- 直线运动
- 轴承附件

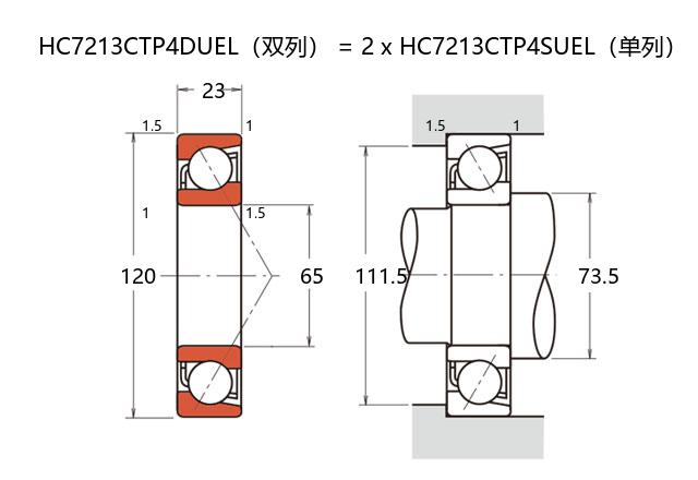
HC7213CTP4DUEL轴承
类型:【超高精密轴承 - 精密角接触球轴承】
基本尺寸:内径: mm,外径: mm,厚度: mm。
价格区间:¥0 - ¥0【详情】
前缀列表:【H:高转速】【C:陶瓷球型】后缀列表:【C:接触角 15°】【T:树脂保持架】【P4:ISO 4级精度】【DU:双列万能配对】【EL:超轻预紧】
HC7213CTP4DUEL轴承属于超高精密角接触球轴承系列,其基本尺寸为内径65毫米、外径120毫米、厚度23毫米。该型号采用陶瓷小球材质设计,具备低密度、高硬度及耐腐蚀等特性,在高速运转条件下能有效减少离心力影响,降低摩擦温升。结构上通过优化的接触角与滚道几何形状,提升了轴向和径向载荷的协同承载能力,同时保持运行平稳性。
此类轴承适用于高转速、高刚性要求的工况环境,常见于精密机床主轴、电主轴及高速动力设备中。其内部填充特殊润滑剂,配合精密组配的预紧调整,可进一步抑制振动与噪声,延长使用寿命。由于材料与工艺的特殊性,该型号在极端温度或腐蚀性环境下仍能维持稳定的性能表现,但需结合具体应用场景匹配安装与维护条件。
H
C
7
2
1
3
C
T
P
4
D
U
E
L
H:高转速
C:陶瓷球型
7:精密角接触球轴承
2:尺寸系列:轻窄 02 系列
13:内径:65 mm
C:接触角 15°
T:树脂保持架
P4:ISO 4级精度
DU:双列万能配对
EL:超轻预紧
H:
高转速
C:
陶瓷球型
7:
精密角接触球轴承
2:
尺寸系列:轻窄 02 系列
13:
内径:65 mm
C:
接触角 15°
T:
树脂保持架
P4:
ISO 4级精度
DU:
双列万能配对
EL:
超轻预紧
公称型号 | ||
高速陶瓷球型 | HC7213CTP4SUEL | |
主要尺寸(mm) | ||
内径 | d | 65 |
外径 | D | 120 |
厚度(单列) | B | 23 |
厚度(多列) | T | 1.5 |
倒角尺寸 | r(min) | 1 |
倒角尺寸 | r1(min) | 53.5 |
额定载荷(KN) | ||
基本额定动载荷 | Cr | 24.9 |
基本额定静载荷 | C0r | 33 |
极限载荷(KN) | ||
轴向-单个 | 15 | |
接触角 | ||
度 | ° | 6.6 |
系数 | ||
fo | 24.1 | |
作用点(mm) | ||
a | 12100 | |
限制速度(rpm) | ||
脂润滑 | Grease | 24200 |
油润滑 | Oil | 73.5 |
安装尺寸(mm) | ||
da(min) | 111.5 | |
Da(max) | 114 | |
Db(max) | 1.5 | |
ra(max) | 1 | |
rb(max) | 219 | |
预紧力(N)-DU/DB/DF | ||
微预紧 | EL | 448 |
轻预紧 | L | 1069 |
中预紧 | M | 2175 |
重预紧 | H | 71 |
轴承刚度(N/μm)-DU/DB/DF | ||
微预紧 | EL | 95 |
轻预紧 | L | 141 |
中预紧 | M | 200 |
重预紧 | H | -12 |
测量轴向游隙(μm) | ||
微预紧 | EL | -23 |
轻预紧 | L | -44 |
中预紧 | M | -70 |
重预紧 | H | 0.86 |
轴承组合 | ||
方式 | 1.72 | |
列数 | ||
重量(Kg) | ||

商品 | 品牌 | 主要尺寸 | 发货仓 | 产地 | 库存 | 含税单价 | VIP价 | 操作 |