产品分类

P707C轴承
类型:【角接触球轴承 - 角接触球轴承】
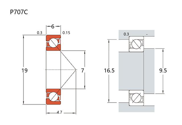
基本尺寸:内径:7 mm,外径:19 mm,厚度:6 mm。
价格区间:¥0 - ¥0【详情】
前缀列表:【P:工程塑料材质】后缀列表:【C:接触角 15°】
P707C轴承属于P7000塑料型系列角接触球轴承。其基本尺寸为内径7毫米、外径19毫米、厚度6毫米,结构紧凑。该型号轴承的接触角设计使其能够同时承受径向负荷和一定的轴向负荷,适用于对空间和重量有严格限制的应用场合。
该系列轴承的内外圈通常采用工程塑料如PEEK或类似高性能材料制造,滚动体则为不锈钢或陶瓷材质。这种材料组合使轴承具备耐腐蚀、自润滑特性,可在无额外润滑油脂的条件下运行,有效减少维护需求并避免对工作介质造成污染。塑料材质的运用也使其在轻量化方面表现突出,并有助于降低运行噪音。
基于上述特性,P707C轴承常见于微型电机、精密仪器、医疗设备、办公自动化装置及低扭矩传动系统等领域。尤其在需要避免金属离子污染或存在化学腐蚀介质的环境中,其非金属材质展现出特定优势。需要注意的是,其负载能力和工作温度范围通常低于同尺寸的全金属轴承,选型时应结合具体工况进行评估。
P
7
0
7
C
P:工程塑料材质
7:角接触球轴承
0:尺寸系列:超轻 10 系列
7:内径代号,内径:7 mm
C:接触角 15°
P:
工程塑料材质
7:
角接触球轴承
0:
尺寸系列:超轻 10 系列
7:
内径代号,内径:7 mm
C:
接触角 15°
公称型号 | ||
塑料型 | P707C | |
主要尺寸(mm) | ||
内径 | d | 7 |
外径 | D | 19 |
厚度 | B | 6 |
r(min) | 0.3 | |
r1(min) | 0.15 | |
接触角 | ||
α(度) | 15° | |
额定载荷(KN) | ||
基本额定动载荷 | Cr | |
基本额定静载荷 | Cor | |
系数 | ||
f0 | 12.8 | |
限制速度(rpm) | ||
脂润滑 | ||
油润滑 | ||
载荷中心(mm) | ||
a(单列) | 4.7 | |
安装尺寸(mm) | ||
da(min) | 9.5 | |
Da(max) | 16.5 | |
ra(max) | 0.3 | |
db(min) | ||
Db(max) | - | |
rb(max) | - | |
材质 | Plastic | |
重量(kg) | ||
单列 | 0.126 |

商品 | 品牌 | 主要尺寸 | 发货仓 | 产地 | 库存 | 含税单价 | VIP价 | 操作 |