产品分类

62/28-2RZN轴承
类型:【深沟球轴承 - 标准深沟球轴承】
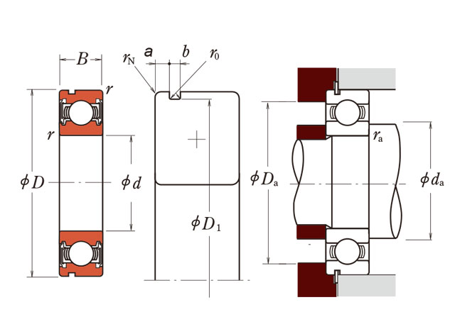
基本尺寸:内径:28 mm,外径:58 mm,厚度:16 mm。
价格区间:¥0 - ¥0【详情】
后缀列表:【-2RZ:两侧有非接触式钢骨架橡胶密封圈】【N:外圈带止动槽】
62/28-2RZN 型轴承属于深沟球轴承中的带卡环槽型结构。其基本尺寸为内径 28mm、外径 58mm、厚度 16mm,这类尺寸规格在中小型机械设计中较为常见。
该轴承具有典型的深沟球轴承结构特点,能够承受径向载荷和一定程度的双向轴向载荷。带卡环槽的设计允许通过卡环实现轴向定位,适用于安装空间有限或需简化轴向固定的场合,有助于提高装配便捷性和结构紧凑性。
在应用方面,该型轴承常见于电机、小型传动装置、仪器设备及普通工业机械中,适用于中等转速和一般载荷条件。其性能表现需结合具体工况及配套部件综合评估,实际选用时需参考技术资料并考虑润滑、密封及环境因素。
6
2
/
2
8
-
2
R
Z
N
6:深沟球轴承
2:尺寸系列:轻窄 02 系列
/:分隔符
28:公称内径:28 mm
-2RZ:两侧有非接触式钢骨架橡胶密封圈
N:外圈带止动槽
6:
深沟球轴承
2:
尺寸系列:轻窄 02 系列
/:
分隔符
28:
公称内径:28 mm
-2RZ:
两侧有非接触式钢骨架橡胶密封圈
N:
外圈带止动槽
公称型号 | ||
按密封形式区分 | 开式 | 62/28N |
按密封形式区分 | 铁盖 | 62/28ZZN |
按密封形式区分 | 非接触式密封 | 62/28-2RZN |
按密封形式区分 | 接触式密封 | 62/28-2RSN |
主要尺寸(mm) | ||
内径 | d | 28 |
外径 | D | 58 |
宽度 | B | 16 |
r(min) | 1 | |
额定载荷(KN) | ||
基本额定动载荷 | Cr | 16.6 |
基本额定静载荷 | Cor | 9.5 |
系数 | ||
f0 | 13.9 | |
极限速度(rpm) | ||
脂润滑 | Open/ZZ/2RZ | 12000 |
脂润滑 | 2RS | 8000 |
油润滑 | Open/Z | 14000 |
卡槽尺寸(mm) | ||
a(max) | 2.46 | |
b(min) | 1.35 | |
D1(max) | 55.6 | |
r0(max) | 0.4 | |
rN(min) | 0.5 | |
安装尺寸(mm) | ||
da(min) | 33 | |
da(max) | 35.5 | |
Da(max) | 53 | |
ra(max) | 1 | |
重量(kg) | 0.175 |

商品 | 品牌 | 主要尺寸 | 发货仓 | 产地 | 库存 | 含税单价 | VIP价 | 操作 |