产品分类
SS7017AC轴承
类型:【角接触球轴承 - 角接触球轴承】
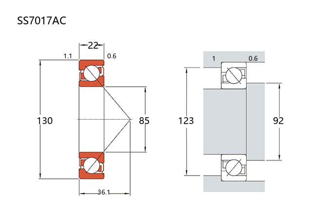
基本尺寸:内径:85 mm,外径:130 mm,厚度:22 mm。
价格区间:¥0 - ¥0【详情】
前缀列表:【SS:不锈钢轴承】后缀列表:【AC:25° 接触角】
SS7017AC属于SS7000系列不锈钢角接触球轴承,其基本尺寸为内径85毫米、外径130毫米、厚度22毫米。该轴承采用接触角设计,能同时承受径向载荷和轴向载荷,尤其适用于承受单一方向的轴向负荷。
该型号选用不锈钢材料制造,提供了良好的防锈与耐腐蚀性能,适合在潮湿或具有一定腐蚀性的工况环境下运行。其结构特点使其在高速运转条件下能保持稳定的工作性能,并有助于维持运转精度。
此类轴承常见于对清洁度有较高要求或需要避免润滑剂污染的场合,例如食品加工、医疗设备或部分化工领域的传动系统。在安装时通常建议采用配对的组合方式,以更好地控制轴向游隙,提升支承刚性。
在实际选用过程中,需结合具体载荷条件、转速要求及环境因素进行综合评估,确保其性能与设备需求相匹配。
S
S
7
0
1
7
A
C
SS:不锈钢轴承
7:角接触球轴承
0:尺寸系列:超轻 10 系列
17:内径:85 mm
AC:25° 接触角
SS:
不锈钢轴承
7:
角接触球轴承
0:
尺寸系列:超轻 10 系列
17:
内径:85 mm
AC:
25° 接触角
| 公称型号 | ||
| 品牌:CALOX | 不锈钢型 | SS7017AC |
| 主要尺寸(mm) | ||
| 内径 | d | 85 |
| 外径 | D | 130 |
| 厚度 | B![]() |
22 |
| 高可实测 | r(min) | 1.1 |
| r1(min) | 0.6 | |
| 接触角 | ||
α(度)![]() |
25° | |
| 额定载荷(KN) | ||
| 基本额定动载荷 | Cr | 56.5 |
| 基本额定静载荷 | Cor | 56 |
| 系数 | ||
| f0 | — | |
| 限制速度(rpm) | ||
| 高可计算 | 脂润滑 | 4300 |
| 油润滑 | 5600 | |
| 载荷中心(mm) | ||
| a(单列) | 36.1 | |
| 安装尺寸(mm) | ||
| 高可实测 | da(min) | 92 |
| Da(max) | 123 | |
| ra(max) | 1 | |
| db(min) | 90 | |
| Db(max) | 125 | |
| rb(max) | 0.6 | |
| 材质 | ||
| 高可出具 | 套圈 | 440C |
| 滚动体 | 420 | |
| 保持架 | 304 | |
| 重量(kg) | ||
| 单列 | 0.918 | |
| 商品 | 品牌 | 主要尺寸 | 发货仓 | 产地 | 库存 | 含税单价 | VIP价 | 操作 |

.jpg)