产品分类

BA160-2A轴承
类型:【角接触球轴承 - 角接触球轴承】
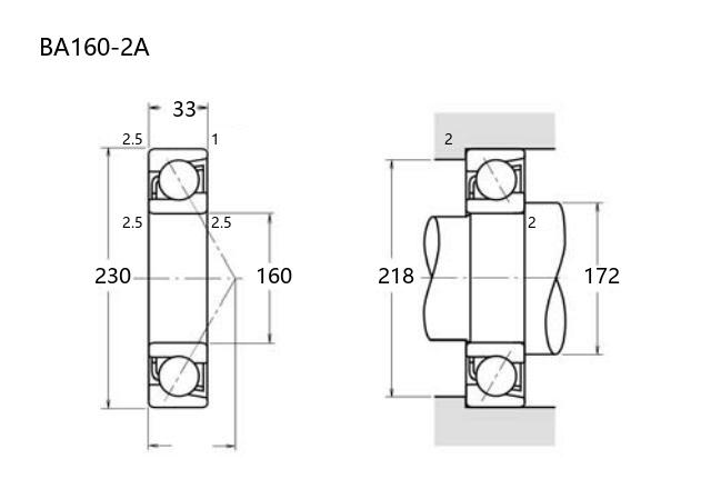
基本尺寸:内径:160 mm,外径:230 mm,厚度:33 mm。
价格区间:¥0 - ¥0【详情】
前缀列表:【BA:特殊尺寸 BA 系列】后缀列表:【-2:内部设计优化,代号 2】【A:接触角 30°】
BA160-2A型轴承是一款角接触球轴承,其公称尺寸为内径160毫米、外径230毫米、厚度33毫米。该类轴承采用接触角设计,能够同时承受径向和轴向联合载荷,适用于中等转速及较高刚性的支撑场合。
该型号属于普通精度等级产品,通常涵盖P0、P6或P5级制造标准,在一般工业环境中具有较好的通用性。其结构特点包括实体保持架设计和标准化滚道几何形状,能够在多种工况下保持运转稳定性。
该类型轴承常见于中型机械传动系统、泵类设备及通用工业传动结构中,能够满足常规负载与转速需求。选型时需结合具体应用场景的载荷条件、转速要求及配合精度进行综合评估。在使用过程中应注意保持润滑清洁及安装对中性,以延长使用寿命。
用户可根据实际需求参考产品技术手册进一步确认详细参数及适用条件。
B
A
1
6
0
-
2
A
BA:特殊尺寸 BA 系列
160:内径代号,内径:160 mm
-2:内部设计优化,代号 2
A:接触角 30°
BA:
特殊尺寸 BA 系列
160:
内径代号,内径:160 mm
-2:
内部设计优化,代号 2
A:
接触角 30°
公称型号(按保持器区分) | ||
冲压钢 | ||
尼龙 | ||
车削铜 | BA160-2A | |
主要尺寸(mm) | ||
内径 | d | 160 |
外径 | D | 230 |
厚度 | B | 33 |
r(min) | 2.5 | |
r1(min) | 1 | |
接触角 | ||
α(度) | 30° | |
额定载荷(KN) | ||
动载荷 | Cr(单列) | 124 |
基本额定静载荷 | Cor(单列) | 147 |
系数 | ||
f0 | — | |
限制速度(rpm) | ||
脂润滑 | ||
油润滑 | ||
载荷中心(mm) | ||
a(单列) | 73 | |
安装尺寸(mm) | ||
da(min) | 172 | |
Da(max) | 218 | |
ra(max) | 2 | |
db(min) | ||
Db(max) | ||
rb(max) | 1 | |
重量(kg) | ||
单列 | 4.15 |

商品 | 品牌 | 主要尺寸 | 发货仓 | 产地 | 库存 | 含税单价 | VIP价 | 操作 |