您好!欢迎光临「高可智选」 尊敬的会员【{{account}}】,欢迎回到「高可智选」
English 请登录 免费注册 我在高可 我的收藏

CRBH10016UU轴承尺寸、参数、图纸、互换、价格

CRBH10016UU轴承

类型:【交叉滚子轴承 - 交叉滚子轴承】

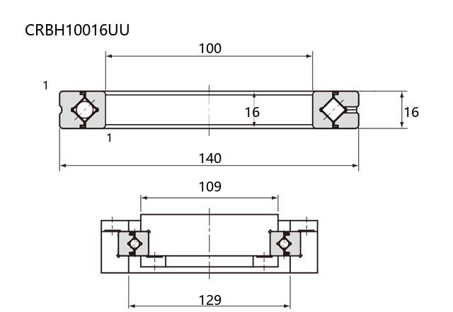
基本尺寸:内径:100 mm,外径:140 mm,厚度:16 mm。

价格区间:¥0 - ¥0【详情】

CRBH10016UU轴承尺寸、参数、图纸
公称型号(按密封形式区分)
开式CRBH10016
密封型CRBH10016UU
主要尺寸(mm)
内径d100
外径D140
厚度B16
r(min)1
滚柱节圆直径
dp119.3
额定载荷(KN)
基本额定动载荷Cr31.7
基本额定静载荷Cor48.6
润滑孔(×4)
do2
安装尺寸(mm)
ds109
Dh129
重量(kg)0.83
尺寸图
CRBH10016UU轴承产品列表
商品 品牌 主要尺寸 发货仓 产地 库存 含税单价 VIP价 操作
CRBH10016UU相关轴承、大牌PK推荐