产品分类

7996AM轴承
类型:【角接触球轴承 - 角接触球轴承】
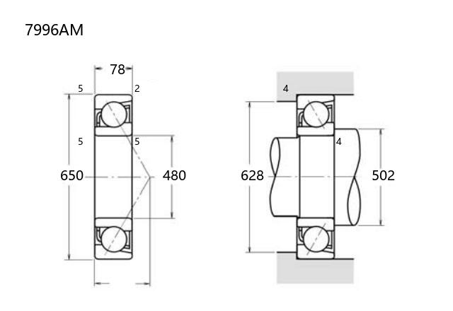
基本尺寸:内径:480 mm,外径:650 mm,厚度:78 mm。
价格区间:¥0 - ¥0【详情】
后缀列表:【A:接触角 30°】【M:实体黄铜保持架】
7996AM型号轴承属于角接触球轴承系列,采用单列设计,适用于承受联合负荷或纯轴向负荷的工况。该轴承基本尺寸为内径480毫米、外径650毫米、厚度78毫米,属于中等截面尺寸的轴承类型。其接触角设计能够提供较高的轴向刚性,常见于需要同时支持径向和轴向负载的旋转设备中。
此类轴承通常采用普通精度等级(如P0、P6或P5级),可满足多数工业应用对精度和稳定性的基本需求。由于角接触球轴承的结构特点,7996AM型号适用于中等转速场景,常见于大型电机、工业泵或传动系统等设备。在实际使用中需注意安装配合及润滑条件,以发挥其性能并延长使用寿命。该型号轴承的设计兼顾了负荷容量与运转平稳性,是多方向受力场景下的常见选择之一。
7
9
9
6
A
M
7:角接触球轴承
9:尺寸系列:超轻 19 系列
96:内径:480 mm
A:接触角 30°
M:实体黄铜保持架
7:
角接触球轴承
9:
尺寸系列:超轻 19 系列
96:
内径:480 mm
A:
接触角 30°
M:
实体黄铜保持架
公称型号(按保持器区分) | ||
冲压钢 | ||
尼龙 | 7996ATN | |
车削铜 | 7996AM | |
主要尺寸(mm) | ||
内径 | d | 480 |
外径 | D | 650 |
厚度 | B | 78 |
r(min) | 5 | |
r1(min) | 2 | |
接触角 | ||
α(度) | 30° | |
额定载荷(KN) | ||
动载荷 | Cr(单列) | 530 |
基本额定静载荷 | Cor(单列) | 1090 |
系数 | ||
f0 | — | |
限制速度(rpm) | ||
脂润滑 | ||
油润滑 | ||
载荷中心(mm) | ||
a(单列) | 202 | |
安装尺寸(mm) | ||
da(min) | 502 | |
Da(max) | 628 | |
ra(max) | 4 | |
db(min) | ||
Db(max) | ||
rb(max) | 2 | |
重量(kg) | ||
单列 | 71.8 |

商品 | 品牌 | 主要尺寸 | 发货仓 | 产地 | 库存 | 含税单价 | VIP价 | 操作 |