产品分类

7932AM轴承
类型:【角接触球轴承 - 角接触球轴承】
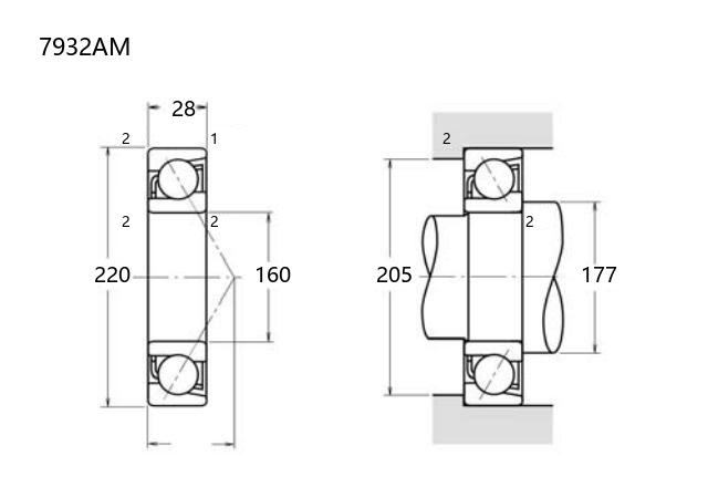
基本尺寸:内径:160 mm,外径:220 mm,厚度:28 mm。
价格区间:¥0 - ¥0【详情】
后缀列表:【A:接触角 30°】【M:机加工黄铜保持架】
7932AM角接触球轴承的内径为160mm,外径220mm,厚度28mm。该轴承属于角接触球轴承类别,设计用于承受径向和轴向联合载荷,接触角设计使其具备较高的轴向承载能力。其结构适用于中等转速及精度要求的应用场景,常见于工业传动系统、泵类设备或中型机械中。
该型号轴承通常采用普通级精度(如P0、P6或P5级),能够满足一般工业环境下的运行需求。其尺寸设计便于安装与维护,材质和热处理工艺可根据实际应用调整以优化性能。在使用时需注意配合公差和润滑条件,以确保运行平稳性与寿命。
角接触球轴承的配置灵活性较高,可单独或成对使用以适应不同的负载方向。7932AM型号在尺寸规格上属于中型轴承,适用于空间受限但需兼顾负载能力的场合。实际选用时需结合工况条件综合评估。
7
9
3
2
A
M
7:角接触球轴承
9:尺寸系列:超轻 19 系列
32:内径:160 mm
A:接触角 30°
M:机加工黄铜保持架
7:
角接触球轴承
9:
尺寸系列:超轻 19 系列
32:
内径:160 mm
A:
接触角 30°
M:
机加工黄铜保持架
公称型号(按保持器区分) | ||
冲压钢 | ||
尼龙 | 7932ATN | |
车削铜 | 7932AM | |
主要尺寸(mm) | ||
内径 | d | 160 |
外径 | D | 220 |
厚度 | B | 28 |
r(min) | 2 | |
r1(min) | 1 | |
接触角 | ||
α(度) | 30° | |
额定载荷(KN) | ||
动载荷 | Cr(单列) | 96 |
基本额定静载荷 | Cor(单列) | 121 |
系数 | ||
f0 | — | |
限制速度(rpm) | ||
脂润滑 | ||
油润滑 | ||
载荷中心(mm) | ||
a(单列) | 68.8 | |
安装尺寸(mm) | ||
da(min) | 177 | |
Da(max) | 205 | |
ra(max) | 2 | |
db(min) | — | |
Db(max) | 209 | |
rb(max) | 1 | |
重量(kg) | ||
单列 | 3.11 |

商品 | 品牌 | 主要尺寸 | 发货仓 | 产地 | 库存 | 含税单价 | VIP价 | 操作 |