产品分类

7860AM轴承
类型:【角接触球轴承 - 角接触球轴承】
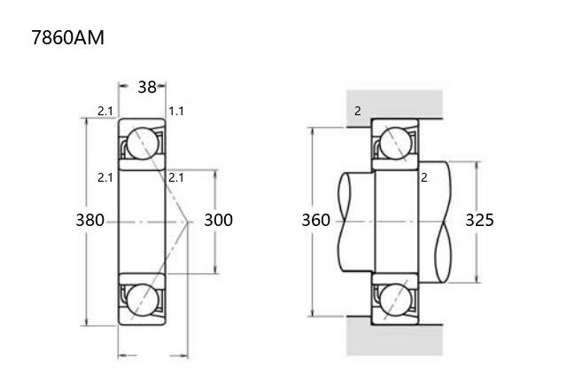
基本尺寸:内径:300 mm,外径:380 mm,厚度:38 mm。
价格区间:¥0 - ¥0【详情】
后缀列表:【A:接触角 30°】【M:实体黄铜保持架】
7860AM型角接触球轴承的内径为300mm,外径380mm,厚度38mm,属于中大型轴承规格。该轴承采用角接触设计,能够同时承受径向和轴向载荷,适用于中等转速及复合载荷工况。其接触角通常为15°、25°或40°,具体角度需根据实际配置确定,这类设计使得轴承在支撑轴系时具备一定的调心能力。
该产品属于普通精度等级(P0/P6/P5级),可满足一般工业设备的精度要求。常见应用领域包括中型传动系统、通用机床主轴、泵类设备及部分输送机械。这类轴承通常采用脂润滑或油润滑方式,具体需根据工况条件选择。安装时需注意预紧力和配合公差,以确保性能发挥。
角接触球轴承的保持架材料多为冲压钢或实体黄铜,具体设计可能因制造商而异。用户在选择时需结合载荷方向、转速范围和安装空间等参数进行综合评估。该型号轴承在多类机械装备中具有较广泛的应用前景。
7
8
6
0
A
M
7:角接触球轴承
8:尺寸系列:超轻 18 系列
60:内径:300 mm
A:接触角 30°
M:实体黄铜保持架
7:
角接触球轴承
8:
尺寸系列:超轻 18 系列
60:
内径:300 mm
A:
接触角 30°
M:
实体黄铜保持架
公称型号(按保持器区分) | ||
冲压钢 | ||
尼龙 | 7860ATN | |
车削铜 | 7860AM | |
主要尺寸(mm) | ||
内径 | d | 300 |
外径 | D | 380 |
厚度 | B | 38 |
r(min) | 2.1 | |
r1(min) | 1.1 | |
接触角 | ||
α(度) | 30° | |
额定载荷(KN) | ||
动载荷 | Cr(单列) | 183 |
基本额定静载荷 | Cor(单列) | 290 |
系数 | ||
f0 | — | |
限制速度(rpm) | ||
脂润滑 | ||
油润滑 | ||
载荷中心(mm) | ||
a(单列) | 117.1 | |
安装尺寸(mm) | ||
da(min) | 325 | |
Da(max) | 360 | |
ra(max) | 2 | |
db(min) | — | |
Db(max) | 365 | |
rb(max) | 1 | |
重量(kg) | ||
单列 | 10.1 |

商品 | 品牌 | 主要尺寸 | 发货仓 | 产地 | 库存 | 含税单价 | VIP价 | 操作 |