产品分类

7412BTN轴承
类型:【角接触球轴承 - 角接触球轴承】
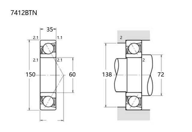
基本尺寸:内径:60 mm,外径:150 mm,厚度:35 mm。
价格区间:¥0 - ¥0【详情】
后缀列表:【B:接触角 40°】【TN:尼龙聚酰胺树脂保持架】
7412BTN属于角接触球轴承系列,其基本尺寸为内径60mm、外径150mm、厚度35mm。该轴承设计用于同时承受径向载荷和轴向载荷,常见于需要较高旋转精度的场合。
在结构上,该型号采用接触角设计,能够提供稳定的轴向支撑能力,适用于中等转速及载荷条件。其制造精度符合普通级标准,可满足多数工业应用的基本需求,如电机、泵类设备或传动系统。
该轴承的保持架材料通常为工程塑料或钢板冲压,有助于减少摩擦和热量积累。安装时需注意配对使用或预紧调整,以确保载荷分布均匀。
在使用过程中,需根据实际工况选择适当的润滑方式和维护周期,以延长轴承寿命。该型号的通用性较强,但具体性能需结合应用环境及配套结构综合评估。
7
4
1
2
B
T
N
7:角接触球轴承
4:尺寸系列:重窄 04 系列
12:内径:60 mm
B:接触角 40°
TN:尼龙聚酰胺树脂保持架
7:
角接触球轴承
4:
尺寸系列:重窄 04 系列
12:
内径:60 mm
B:
接触角 40°
TN:
尼龙聚酰胺树脂保持架
公称型号(按保持器区分) | ||
冲压钢 | 7412BW | |
尼龙 | 7412BTN | |
车削铜 | 7412BM | |
主要尺寸(mm) | ||
内径 | d | 60 |
外径 | D | 150 |
厚度 | B | 35 |
r(min) | 2.1 | |
r1(min) | 1.1 | |
接触角 | ||
α(度) | 40° | |
额定载荷(KN) | ||
动载荷 | Cr(单列) | 119 |
基本额定静载荷 | Cor(单列) | 86.7 |
系数 | ||
f0 | — | |
限制速度(rpm) | ||
脂润滑 | 3700 | |
油润滑 | 5100 | |
载荷中心(mm) | ||
a(单列) | 62.6 | |
安装尺寸(mm) | ||
da(min) | 72 | |
Da(max) | 138 | |
ra(max) | 2 | |
db(min) | ||
Db(max) | ||
rb(max) | ||
重量(kg) | ||
单列 | 2.85 |

商品 | 品牌 | 主要尺寸 | 发货仓 | 产地 | 库存 | 含税单价 | VIP价 | 操作 |