产品分类

7304CM轴承
类型:【角接触球轴承 - 角接触球轴承】
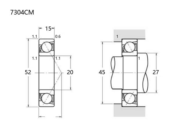
基本尺寸:内径:20 mm,外径:52 mm,厚度:15 mm。
价格区间:¥0 - ¥0【详情】
后缀列表:【C:接触角 15°】【M:机加工黄铜保持架】
7304CM属于角接触球轴承,内径为20毫米,外径为52毫米,厚度为15毫米。该轴承设计用于同时承受径向和轴向载荷,接触角结构有助于提升轴向刚性。7304CM适用于中等转速和负载工况,常见于泵类、小型电机或传动装置等设备中。
该型号通常采用普通精度等级,例如P0、P6或P5级,能够满足一般工业应用的要求。其结构特点包括整体式保持架设计和优化的滚道几何形状,有助于在运转中保持稳定性。用户在选择时需结合具体工况考虑预紧和配置方式,以确保性能匹配。
角接触球轴承多成对使用以增强承载效果,但7304CM作为单个轴承,也具有较好的适配性和经济性。需要注意合理安装和维护,以延长使用寿命并减少故障风险。
7
3
0
4
C
M
7:角接触球轴承
3:尺寸系列:中窄 03 系列
04:内径:20 mm
C:接触角 15°
M:机加工黄铜保持架
7:
角接触球轴承
3:
尺寸系列:中窄 03 系列
04:
内径:20 mm
C:
接触角 15°
M:
机加工黄铜保持架
公称型号(按保持器区分) | ||
冲压钢 | ||
尼龙 | 7304CTN | |
车削铜 | 7304CM | |
主要尺寸(mm) | ||
内径 | d | 20 |
外径 | D | 52 |
厚度 | B | 15 |
r(min) | 1.1 | |
r1(min) | 0.6 | |
接触角 | ||
α(度) | 15° | |
额定载荷(KN) | ||
动载荷 | Cr(单列) | 18.5 |
基本额定静载荷 | Cor(单列) | 9.95 |
系数 | ||
f0 | 12.6 | |
限制速度(rpm) | ||
脂润滑 | 23000 | |
油润滑 | 31000 | |
载荷中心(mm) | ||
a(单列) | 12.3 | |
安装尺寸(mm) | ||
da(min) | 27 | |
Da(max) | 45 | |
ra(max) | 1 | |
db(min) | 25 | |
Db(max) | 47 | |
rb(max) | 0.6 | |
重量(kg) | ||
单列 | 0.15 |

商品 | 品牌 | 主要尺寸 | 发货仓 | 产地 | 库存 | 含税单价 | VIP价 | 操作 |