产品分类

7210AM轴承
类型:【角接触球轴承 - 角接触球轴承】
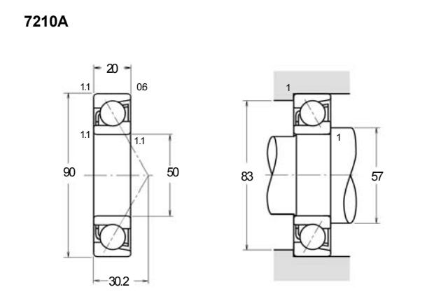
基本尺寸:内径:50 mm,外径:90 mm,厚度:20 mm。
价格区间:¥54.04 - ¥205.57【详情】
后缀列表:【A:接触角 30°】【M:机加工黄铜保持架】
7210AM角接触球轴承的内径为50毫米,外径90毫米,厚度20毫米,属于标准尺寸规格的角接触球轴承系列。该轴承设计用于承受复合载荷,具有一定的轴向和径向承载能力,适用于转速较高的场合。其接触角结构有助于调整轴承性能,常见于需要较高精度和刚性要求的应用。
该轴承通常归类为普通精度等级,涵盖P0、P6或P5级别,能够满足一般工业环境的需求。它广泛应用于中型机械装备,如电机、泵类及传动系统,在运行中提供稳定的支撑和较低的摩擦损耗。安装时需注意载荷方向和预紧调整,以发挥其性能特点。
选用时需结合实际工况,考虑载荷类型、转速及环境条件等因素,确保兼容性和耐用性。维护中建议定期检查润滑状态和磨损情况,以延长使用寿命。该型号轴承在多种工业领域中有较广泛的应用。
7
2
1
0
A
M
7:角接触球轴承
2:尺寸系列:轻窄 02 系列
10:内径:50 mm
A:接触角 30°
M:机加工黄铜保持架
7:
角接触球轴承
2:
尺寸系列:轻窄 02 系列
10:
内径:50 mm
A:
接触角 30°
M:
机加工黄铜保持架
公称型号(按保持器区分) | ||
冲压钢 | 7210AW | |
尼龙 | 7210ATN | |
车削铜 | 7210AM | |
主要尺寸(mm) | ||
内径 | d | 50 |
外径 | D | 90 |
厚度 | B | 20 |
r(min) | 1.1 | |
r1(min) | 0.6 | |
接触角 | ||
α(度) | 30° | |
额定载荷(KN) | ||
动载荷 | Cr(单列) | 41.5 |
基本额定静载荷 | Cor(单列) | 31.5 |
系数 | ||
f0 | — | |
限制速度(rpm) | ||
脂润滑 | 6300 | |
油润滑 | 9000 | |
载荷中心(mm) | ||
a(单列) | 30.2 | |
安装尺寸(mm) | ||
da(min) | 57 | |
Da(max) | 83 | |
ra(max) | 1 | |
db(min) | 55 | |
Db(max) | 85 | |
rb(max) | 0.6 | |
重量(kg) | ||
单列 | 0.466 |

商品 | 品牌 | 主要尺寸 | 发货仓 | 产地 | 库存 | 含税单价 | VIP价 | 操作 |
HRB 7210ACM轴承 角接触球轴承 |
HRB | 50 X 90 X 20 | 华东 | 哈尔滨 | 200 | 65.93 | ¥54.04 | |
NSK 7210A轴承 单列角接触球轴承 |
NSK | 50 X 90 X 20 | 华东 | 日本 | 7 | 202 | ¥178.76 | |
HRB 7210ACM/P6轴承 角接触球轴承 |
HRB | 50 X 90 X 20 | 华东 | 哈尔滨 | 200 | 93.21 | ¥81.05 | |
NSK 7210A轴承 单列角接触球轴承 |
NSK | 50 X 90 X 20 | 华东 | 日本 | 7 | 205.57 | ¥178.76 | |