产品分类

7216ATN轴承
类型:【角接触球轴承 - 角接触球轴承】
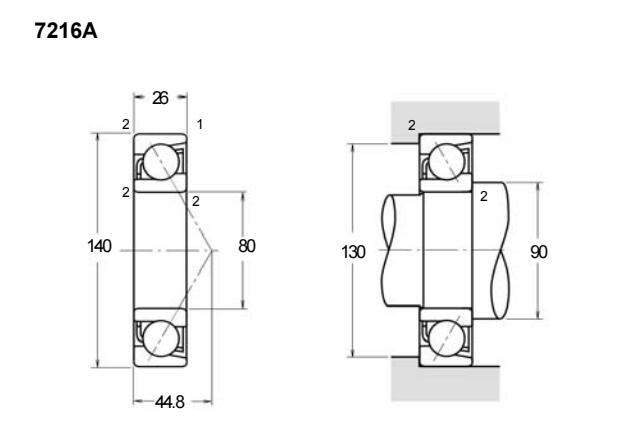
基本尺寸:内径:80 mm,外径:140 mm,厚度:26 mm。
价格区间:¥67.99 - ¥141.76【详情】
后缀列表:【A:接触角 30°】【TN:尼龙聚酰胺树脂保持架】
7216ATN属于角接触球轴承系列,其主要结构包括内圈、外圈、钢球和保持架,设计用于承受径向和轴向联合载荷,尤其适用于轴向载荷较高的场合。该轴承的基本尺寸为内径80毫米,外径140毫米,厚度26毫米。其接触角设计优化了载荷分布,提高了运转稳定性。
该型号通常采用普通精度等级,如P0、P6或P5级,适用于中等转速和负荷的工业环境。常见应用包括电机、泵类、传动系统和机床主轴等场合,能够支持较高的轴向刚性。保持架材料多为冲压钢或工程塑料,有助于减少摩擦和热量积累。
在安装时需注意配对使用或调整预紧力,以确保性能发挥。维护中建议定期润滑和检查,以延长使用寿命。整体而言,7216ATN轴承具有结构紧凑和可靠性较高的特点,适配多种机械装置的需求。
7
2
1
6
A
T
N
7:角接触球轴承
2:尺寸系列:轻窄 02 系列
16:内径:80 mm
A:接触角 30°
TN:尼龙聚酰胺树脂保持架
7:
角接触球轴承
2:
尺寸系列:轻窄 02 系列
16:
内径:80 mm
A:
接触角 30°
TN:
尼龙聚酰胺树脂保持架
公称型号(按保持器区分) | ||
冲压钢 | 7216AW | |
尼龙 | 7216ATN | |
车削铜 | 7216AM | |
主要尺寸(mm) | ||
内径 | d | 80 |
外径 | D | 140 |
厚度 | B | 26 |
r(min) | 2 | |
r1(min) | 1 | |
接触角 | ||
α(度) | 30° | |
额定载荷(KN) | ||
动载荷 | Cr(单列) | 89 |
基本额定静载荷 | Cor(单列) | 76 |
系数 | ||
f0 | — | |
限制速度(rpm) | ||
脂润滑 | 4000 | |
油润滑 | 5600 | |
载荷中心(mm) | ||
a(单列) | 44.8 | |
安装尺寸(mm) | ||
da(min) | 90 | |
Da(max) | 130 | |
ra(max) | 2 | |
db(min) | 86 | |
Db(max) | 134 | |
rb(max) | 1 | |
重量(kg) | ||
单列 | 1.46 |

商品 | 品牌 | 主要尺寸 | 发货仓 | 产地 | 库存 | 含税单价 | VIP价 | 操作 |
HRB 7216AC轴承 角接触球轴承 |
HRB | 80 X 140 X 26 | 华东 | 哈尔滨 | 510 | 79.55 | ¥67.99 | |
HRB 7216AC/P5轴承 角接触球轴承 |
HRB | 80 X 140 X 26 | 华东 | 哈尔滨 | 200 | 133 | ¥119.82 | |
HRB 7216AC/P6轴承 角接触球轴承 |
HRB | 80 X 140 X 26 | 华东 | 哈尔滨 | 200 | 136.25 | ¥110.77 | |
HRB 7216C轴承 角接触球轴承 |
HRB | 80 X 140 X 26 | 华东 | 哈尔滨 | 200 | 89.36 | ¥73.85 | |
HRB 7216C/P5轴承 角接触球轴承 |
HRB | 80 X 140 X 26 | 华东 | 哈尔滨 | 100 | 141.76 | ¥109.89 | |
篇幅有限,仅显示五条,更多可点击:搜索,或者:深度搜索 |