产品分类

7816BTN轴承
类型:【角接触球轴承 - 角接触球轴承】
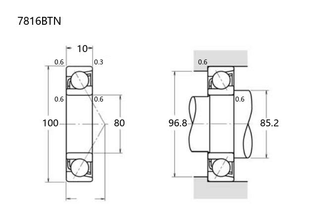
基本尺寸:内径:80 mm,外径:100 mm,厚度:10 mm。
价格区间:¥66.56 - ¥73.88【详情】
后缀列表:【B:接触角 40°】【TN:聚酰胺树脂(尼龙)保持架】
7816BTN型轴承属于角接触球轴承,内径80mm,外径100mm,厚度10mm,适用于中等载荷和高转速工况。该轴承设计可同时承受径向和轴向载荷,接触角结构增强了轴向负荷能力,常见于需控制轴向位移的场合。
7816BTN采用普通级精度(如P0、P6或P5级),平衡了基本运行需求与成本效率,适用于一般工业环境。其紧凑尺寸便于集成到空间受限的装配中,例如小型电机、泵类设备或传动系统。
角接触球轴承常成对使用以提升刚度,但单个轴承也能在适当配置下发挥作用。选用时需结合具体工况参数,如载荷类型、转速和环境条件,建议参考制造商技术资料以确保兼容性。维护时注意润滑和安装精度,以延长使用寿命。
7
8
1
6
B
T
N
7:角接触球轴承
8:尺寸系列:超轻 18 系列
16:内径:80 mm
B:接触角 40°
TN:聚酰胺树脂(尼龙)保持架
7:
角接触球轴承
8:
尺寸系列:超轻 18 系列
16:
内径:80 mm
B:
接触角 40°
TN:
聚酰胺树脂(尼龙)保持架
公称型号(按保持器区分) | ||
冲压钢 | ||
尼龙 | 7816BTN | |
车削铜 | ||
主要尺寸(mm) | ||
内径 | d | 80 |
外径 | D | 100 |
厚度 | B | 10 |
r(min) | 0.6 | |
r1(min) | 0.3 | |
接触角 | ||
α(度) | 40° | |
额定载荷(KN) | ||
动载荷 | Cr(单列) | 16.6 |
基本额定静载荷 | Cor(单列) | 19 |
系数 | ||
f0 | ||
限制速度(rpm) | ||
脂润滑 | 6000 | |
油润滑 | ||
载荷中心(mm) | ||
a(单列) | 42.7 | |
安装尺寸(mm) | ||
da(min) | 85.2 | |
Da(max) | 96.8 | |
ra(max) | 0.6 | |
db(min) | ||
Db(max) | 98 | |
rb(max) | 0.3 | |
重量(kg) | ||
单列 | 0.101 |

商品 | 品牌 | 主要尺寸 | 发货仓 | 产地 | 库存 | 含税单价 | VIP价 | 操作 |
HRB 7816轴承 角接触球轴承 |
HRB | 80 X 100 X 10 | 华东 | 哈尔滨 | 420 | 73.88 | ¥66.56 | |