产品分类

7080AM轴承
类型:【角接触球轴承 - 角接触球轴承】
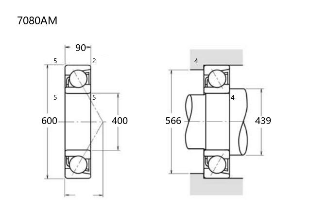
基本尺寸:内径:400 mm,外径:600 mm,厚度:90 mm。
价格区间:¥0 - ¥0【详情】
后缀列表:【A:接触角 30°】【M:实体黄铜保持架】
7080AM轴承属于角接触球轴承类别,采用常见的普通级精度等级(如P0、P6或P5级)。其基本尺寸为内径400mm、外径600mm、厚度90mm,适用于中大型机械结构。该型号轴承设计能够同时承受径向和轴向载荷,接触角结构有助于提升高速运转性能。
在应用中,7080AM轴承常见于工业传动系统、重型设备支承部位或较高转速场合,例如大型电机、泵类设备或传动轴系。其结构特点包括保持架优化和滚道几何设计,有助于维持运转稳定性。选用时需根据实际工况考虑预紧力、润滑方式及安装配合要求。
此类轴承的性能可能因材料工艺、热处理技术及润滑条件等因素存在差异,建议参考具体技术手册或供应商数据确认详细参数。维护时应注意定期检查游隙变化和磨损状况,以延长使用寿命。
7
0
8
0
A
M
7:角接触球轴承
0:尺寸系列:超轻 10 系列
80:内径:400 mm
A:接触角 30°
M:实体黄铜保持架
7:
角接触球轴承
0:
尺寸系列:超轻 10 系列
80:
内径:400 mm
A:
接触角 30°
M:
实体黄铜保持架
公称型号(按保持器区分) | ||
冲压钢 | ||
尼龙 | 7080ATN | |
车削铜 | 7080AM | |
主要尺寸(mm) | ||
内径 | d | 400 |
外径 | D | 600 |
厚度 | B | 90 |
r(min) | 5 | |
r1(min) | 2 | |
接触角 | ||
α(度) | 30° | |
额定载荷(KN) | ||
动载荷 | Cr(单列) | 555 |
基本额定静载荷 | Cor(单列) | 1010 |
系数 | ||
f0 | — | |
限制速度(rpm) | ||
脂润滑 | ||
油润滑 | ||
载荷中心(mm) | ||
a(单列) | 189.3 | |
安装尺寸(mm) | ||
da(min) | 439 | |
Da(max) | 566 | |
ra(max) | 4 | |
db(min) | — | |
Db(max) | 578 | |
rb(max) | 2 | |
重量(kg) | ||
单列 | 85.9 |

商品 | 品牌 | 主要尺寸 | 发货仓 | 产地 | 库存 | 含税单价 | VIP价 | 操作 |