产品分类

7020BTN轴承
类型:【角接触球轴承 - 角接触球轴承】
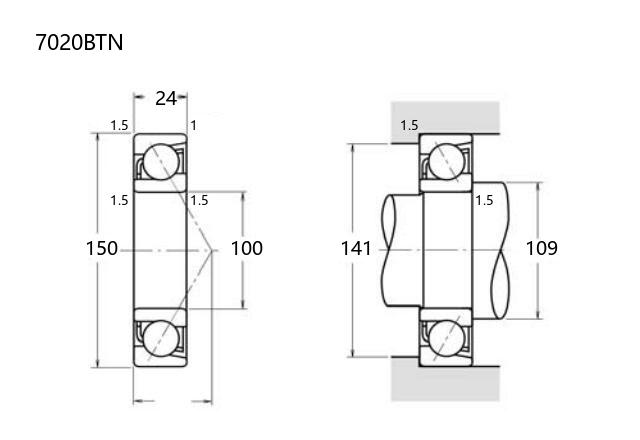
基本尺寸:内径:100 mm,外径:150 mm,厚度:24 mm。
价格区间:¥0 - ¥0【详情】
后缀列表:【B:接触角 40°】【TN:聚酰胺树脂(尼龙)保持架】
7020BTN型轴承属于角接触球轴承,内径为100mm,外径150mm,厚度24mm。该型号设计用于同时承受径向和轴向负荷,适用于中高速运转场合。其接触角结构能够提供较好的刚性,常见于需要一定精度和负载能力的设备中。
该轴承采用普通精度等级,涵盖P0、P6或P5级别,可满足多数工业应用的基本要求。典型应用包括泵类、电机、传动系统及通用机械部件等。安装时需注意配置方式,以保证负荷方向的合理性。
在使用过程中,需保持适当的润滑与维护,以延长轴承寿命。其尺寸符合公制标准,便于替换和配套。该型号轴承具有较好的通用性和适应性,可根据实际工况选择合适的材料和精度等级。
7
0
2
0
B
T
N
7:角接触球轴承
0:尺寸系列:超轻 10 系列
20:内径:100 mm
B:接触角 40°
TN:聚酰胺树脂(尼龙)保持架
7:
角接触球轴承
0:
尺寸系列:超轻 10 系列
20:
内径:100 mm
B:
接触角 40°
TN:
聚酰胺树脂(尼龙)保持架
公称型号(按保持器区分) | ||
冲压钢 | 7020BW | |
尼龙 | 7020BTN | |
车削铜 | 7020BM | |
主要尺寸(mm) | ||
内径 | d | 100 |
外径 | D | 150 |
厚度 | B | 24 |
r(min) | 1.5 | |
r1(min) | 1 | |
接触角 | ||
α(度) | 40° | |
额定载荷(KN) | ||
动载荷 | Cr(单列) | 61.2 |
基本额定静载荷 | Cor(单列) | 63.6 |
系数 | ||
f0 | — | |
限制速度(rpm) | ||
脂润滑 | 3500 | |
油润滑 | 4700 | |
载荷中心(mm) | ||
a(单列) | 64.4 | |
安装尺寸(mm) | ||
da(min) | 109 | |
Da(max) | 141 | |
ra(max) | 1.5 | |
db(min) | — | |
Db(max) | 144 | |
rb(max) | 1 | |
重量(kg) | ||
单列 | 1.37 |

商品 | 品牌 | 主要尺寸 | 发货仓 | 产地 | 库存 | 含税单价 | VIP价 | 操作 |