产品分类

7014BTN轴承
类型:【角接触球轴承 - 角接触球轴承】
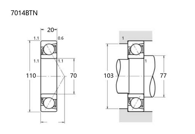
基本尺寸:内径:70 mm,外径:110 mm,厚度:20 mm。
价格区间:¥0 - ¥0【详情】
后缀列表:【B:接触角 40°】【TN:聚酰胺树脂(尼龙)保持架】
7014BTN属于角接触球轴承系列,内径为70mm,外径为110mm,厚度为20mm。该轴承采用接触角设计,适用于同时承受径向和轴向载荷的场合,常见于中高速旋转设备。其结构支持成对安装以提高刚性,内部填充润滑脂,有助于在多种工况下维持运行稳定性。
该型号多用于普通精度等级,涵盖P0、P6或P5级别,可满足不同机械对运转精度的基础需求。常见应用包括电机主轴、泵类设备及中小型传动系统,尤其适合中等负荷且需控制轴向位移的场景。
由于采用金属实体保持架,其耐磨性和强度表现良好。用户在选型时需结合具体载荷、转速及环境条件进行综合评估,确保与其他部件匹配。维护时应注意润滑周期及安装对中,以延长使用寿命。
7
0
1
4
B
T
N
7:角接触球轴承
0:尺寸系列:超轻 10 系列
14:内径:70 mm
B:接触角 40°
TN:聚酰胺树脂(尼龙)保持架
7:
角接触球轴承
0:
尺寸系列:超轻 10 系列
14:
内径:70 mm
B:
接触角 40°
TN:
聚酰胺树脂(尼龙)保持架
公称型号(按保持器区分) | ||
冲压钢 | 7014BW | |
尼龙 | 7014BTN | |
车削铜 | 7014BM | |
主要尺寸(mm) | ||
内径 | d | 70 |
外径 | D | 110 |
厚度 | B | 20 |
r(min) | 1.1 | |
r1(min) | 0.6 | |
接触角 | ||
α(度) | 40° | |
额定载荷(KN) | ||
动载荷 | Cr(单列) | 38.3 |
基本额定静载荷 | Cor(单列) | 35.5 |
系数 | ||
f0 | — | |
限制速度(rpm) | ||
脂润滑 | 5000 | |
油润滑 | 6600 | |
载荷中心(mm) | ||
a(单列) | 47.8 | |
安装尺寸(mm) | ||
da(min) | 77 | |
Da(max) | 103 | |
ra(max) | 1 | |
db(min) | 75 | |
Db(max) | 105 | |
rb(max) | 0.6 | |
重量(kg) | ||
单列 | 0.66 |

商品 | 品牌 | 主要尺寸 | 发货仓 | 产地 | 库存 | 含税单价 | VIP价 | 操作 |