产品分类

公称型号(推力型) | ||
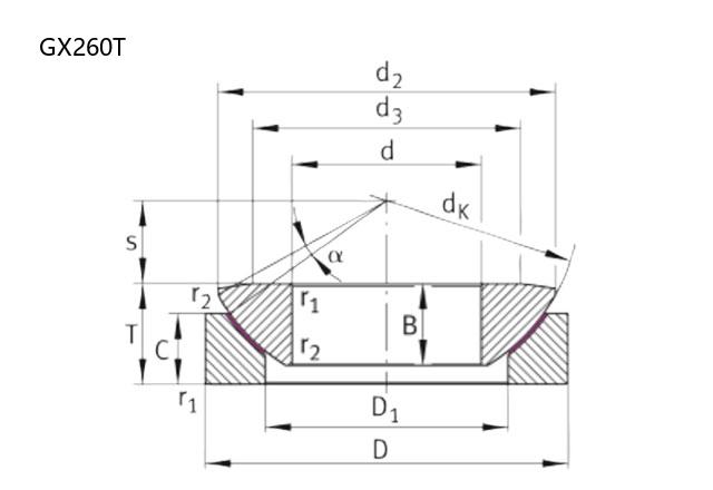
GX-T自润滑型 | GX260T | |
主要尺寸(mm) | ||
内径 | d | 260 |
外径 | D | 430 |
总厚度 | T | 115 |
B | 95 | |
外圈厚度 | C | 80 |
dk | 449 | |
d2 | 409 | |
a | 7 | |
d3 | 336 | |
D1 | 317 | |
s | 82.5 | |
A | — | |
r1s(min) | 1.5 | |
r2s(min) | 0.6 | |
安装尺寸(mm) | ||
da(max) | 336 | |
Da(min) | 332 | |
额定载荷(KN) | ||
基本额定动载荷 | Cr | 10810 |
基本额定静载荷 | Cor | 18010 |
重量(kg) | 71.3 |

商品 | 品牌 | 主要尺寸 | 发货仓 | 产地 | 库存 | 含税单价 | VIP价 | 操作 |