您好!欢迎光临「高可智选」 尊敬的会员【{{account}}】,欢迎回到「高可智选」
English 请登录 免费注册 我在高可 我的收藏

CRBT955轴承尺寸、参数、图纸、前后缀及代号系统

CRBT955轴承

更新日期:

类型:【交叉滚子轴承 - 交叉滚子轴承】

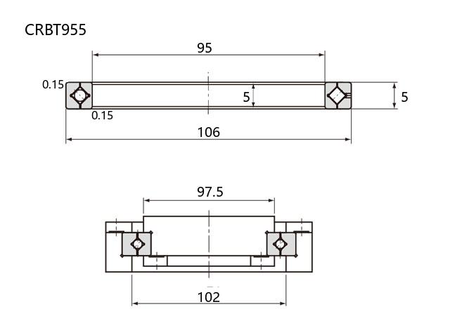
基本尺寸:内径:95 mm,外径:106 mm,厚度:5 mm。

价格区间:¥0 - ¥0【详情】

前缀列表:【CRB:cross roller bearings(交叉滚子轴承)】【T:超薄型】

CRBT955轴承介绍

CRBT955轴承属于交叉滚子轴承系列中的CRBT超薄型产品。该型号内径尺寸为95mm,外径106mm,厚度5mm,整体结构紧凑。超薄设计使其在有限的轴向空间内具有较好的承载能力,能够同时承受径向负荷、轴向负荷及倾覆力矩。

此类轴承采用交叉滚子排列结构,滚子之间通过隔离块保持等距分布,有助于提升运转平稳性。由于结构特点,其在较小尺寸下可实现相对较高的刚性,适用于对安装空间有严格要求的场合。

CRBT超薄型轴承常见于工业机器人关节、精密旋转工作台、医疗设备部件等领域。在自动化装置中,这类轴承能够为旋转部位提供支撑,并保证一定的运动精度。选型时需结合具体工况条件,综合考虑载荷性质、转速要求及环境因素。

该系列轴承在制造过程中通常会对材料进行相应处理,以提升耐磨性和耐久度。使用时应确保安装面的平整度和清洁度,定期检查润滑状态,这有助于维持轴承的性能表现。

CRBT955轴承前后缀、代号系统
C
R
B
T
9
5
5
CRB:cross roller bearings(交叉滚子轴承)
T:超薄型
95:内径代号,公称内径:95 mm
5:厚度代号,公称厚度:5 mm
CRB:
cross roller bearings(交叉滚子轴承)
T:
超薄型
95:
内径代号,公称内径:95 mm
5:
厚度代号,公称厚度:5 mm
CRBT955轴承尺寸、参数、图纸
公称型号(按密封形式区分)
品牌:CALOX 开式 CRBT955
密封型 -
主要尺寸(mm)
内径 d 95
外径 D 106
厚度 B 5
r1(min) 0.15
滚柱节圆直径
dp 99.7
额定载荷(KN)
基本额定动载荷 Cr 3.23
基本额定静载荷 Cor 6.3
润滑孔
a -
b -
安装尺寸(mm)
高可实测 ds 97.5
Dh 102
重量(kg) 0.059
参数图
CRBT955轴承产品列表
商品 品牌 主要尺寸 发货仓 产地 库存 含税单价 VIP价 操作
CRBT955相关轴承、大牌PK推荐