您好!欢迎光临「高可智选」 尊敬的会员【{{account}}】,欢迎回到「高可智选」
English 请登录 免费注册 我在高可 我的收藏

CRBH18013UU轴承尺寸、参数、图纸、前后缀及代号系统

CRBH18013UU轴承

更新日期:

类型:【交叉滚子轴承 - 交叉滚子轴承】

基本尺寸:内径:180 mm,外径:206 mm,厚度:13 mm。

价格区间:¥0 - ¥0【详情】

前缀列表:【CRB:cross roller bearings(交叉滚子轴承)】【H:高刚性型】后缀列表:【UU:密封型,两侧有橡胶密封圈】

CRBH18013UU轴承介绍

CRBH18013UU属于交叉滚子轴承系列中的高刚性型产品。其内径尺寸为180毫米,外径为206毫米,厚度控制在13毫米。这类轴承采用交叉排列的滚子结构,使单个轴承能同时承受径向负荷、轴向负荷及倾覆力矩。高刚性设计增强了轴承在负载状态下的形变抵抗能力,有利于维持系统运行精度。

由于结构紧凑且功能集成度高,该型号适用于安装空间有限的工业场景。在小型旋转工作台、机械手关节、医疗设备旋转部件等领域具有应用价值。相较于多套普通轴承组合的解决方案,这种集成化设计能简化周边结构并减少零件数量。

该型号在满足基本性能需求的同时,需注意保持适当的润滑状态并避免超载运行。选型时需综合考量实际工况的载荷条件、运行速度及精度要求等因素。合理安装与定期维护对保障轴承使用寿命具有重要作用。

CRBH18013UU轴承前后缀、代号系统
C
R
B
H
1
8
0
1
3
U
U
CRB:cross roller bearings(交叉滚子轴承)
H:高刚性型
180:内径代号,公称内径:180 mm
13:厚度代号,公称厚度:13 mm
UU:密封型,两侧有橡胶密封圈
CRB:
cross roller bearings(交叉滚子轴承)
H:
高刚性型
180:
内径代号,公称内径:180 mm
13:
厚度代号,公称厚度:13 mm
UU:
密封型,两侧有橡胶密封圈
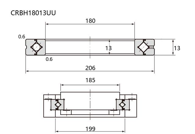
CRBH18013UU轴承尺寸、参数、图纸
公称型号(按密封形式区分)
品牌:𝒸𝒶𝓁ℴ𝓍 开式 CRBH18013
密封型 CRBH18013UU
主要尺寸(mm)
内径 d 180
外径 D 206
厚度 B 13
r(min) 0.6
滚柱节圆直径
dp 192
额定载荷(KN)
基本额定动载荷 Cr 27.6
基本额定静载荷 Cor 65.2
润滑孔(×4)
do 2
安装尺寸(mm)
𝒸𝒶𝓁ℴ𝓍实测 ds 185
Dh 199
重量(kg) 0.68
参数图
CRBH18013UU轴承产品列表
商品 品牌 主要尺寸 发货仓 产地 库存 含税单价 VIP价 操作
CRBH18013UU相关轴承、大牌PK推荐