产品分类

公称型号(按密封形式区分) | ||
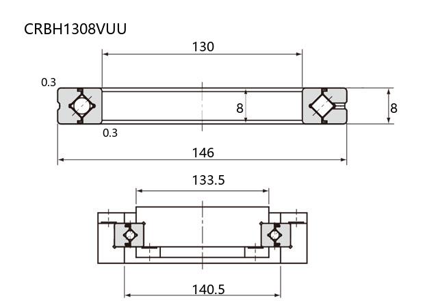
开式 | CRBH1308V | |
密封型 | CRBH1308VUU | |
主要尺寸(mm) | ||
内径 | d | 130 |
外径 | D | 146 |
厚度 | B | 8 |
r(min) | 0.3 | |
滚柱节圆直径 | ||
dp | 137 | |
额定载荷(KN) | ||
基本额定动载荷 | Cr | 11.2 |
基本额定静载荷 | Cor | 24.6 |
润滑孔(×4) | ||
do | 1.2 | |
安装尺寸(mm) | ||
ds | 133.5 | |
Dh | 140.5 | |
重量(kg) | 0.199 |

商品 | 品牌 | 主要尺寸 | 发货仓 | 产地 | 库存 | 含税单价 | VIP价 | 操作 |