产品分类
RSL1850 无外圈系列
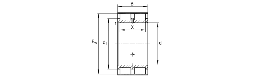
| 公称型号 | 主要尺寸(mm) | 额定载荷(KN) | 极限载荷(KN) | 限制速度(rpm) | 其它尺寸(mm) | 更多操作 | |||||
| RSL1850无外圈系列 | d | Dr | B | X | Cr | C0r | Pu | nG | d1 | r(min) | |
| RSL185004 | 20 | 36.81 | 30 | 23 | 52.3 | 57 | 6.2 | 10000 | 28.4 | 0.6 | 咨询客服 |
| RSL185005 | 25 | 42.51 | 30 | 23 | 59.4 | 71 | 7.65 | 9000 | 34.5 | 0.6 | 咨询客服 |
| RSL185006 | 30 | 49.6 | 34 | 26 | 73.7 | 88 | 10 | 7500 | 40 | 1 | 咨询客服 |
| RSL185007 | 35 | 55.52 | 36 | 28 | 89.7 | 112 | 12.9 | 6500 | 44.9 | 1 | 咨询客服 |
| RSL185008 | 40 | 61.74 | 38 | 30 | 106 | 140 | 16.3 | 6000 | 50.5 | 1 | 咨询客服 |
| RSL185009 | 45 | 66.85 | 40 | 30 | 112 | 156 | 18.3 | 5500 | 55.3 | 1 | 咨询客服 |
| RSL185010 | 50 | 72.33 | 40 | 33 | 142 | 196 | 23.6 | 5000 | 59.1 | 1 | 咨询客服 |
| RSL185011 | 55 | 83.54 | 46 | 39 | 190 | 280 | 34.5 | 4500 | 68.5 | 1.1 | 咨询客服 |
| RSL185012 | 60 | 86.74 | 46 | 39 | 198 | 300 | 36.5 | 4200 | 71.7 | 1.1 | 咨询客服 |
| RSL185013 | 65 | 93.1 | 46 | 39 | 209 | 325 | 40 | 3900 | 78.1 | 1.1 | 咨询客服 |
| RSL185014 | 70 | 100.28 | 54 | 42 | 238 | 345 | 45 | 3600 | 81.5 | 1.1 | 咨询客服 |
| RSL185015 | 75 | 107.9 | 54 | 42 | 251 | 380 | 49 | 3400 | 89 | 1.1 | 咨询客服 |
| RSL185016 | 80 | 116.99 | 60 | 47 | 308 | 455 | 58.5 | 3200 | 95 | 1.1 | 咨询客服 |
| RSL185017 | 85 | 121.44 | 60 | 47 | 314 | 475 | 60 | 3000 | 99 | 1.1 | 咨询客服 |
| RSL185018 | 90 | 130.11 | 67 | 52 | 369 | 560 | 69.5 | 2800 | 106.1 | 1.5 | 咨询客服 |