产品分类

公称型号(按保持器区分) | ||
车削铜铆接式 | NUP2307EM | |
车削铜窗式 | — | |
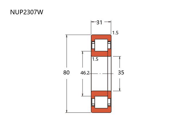
冲压钢 | NUP2307W | |
尼龙 | NUP2307ET | |
主要尺寸(mm) | ||
内径 | d | 35 |
外径 | D | 80 |
厚度 | B | 31 |
r(min) | 1.5 | |
r1(min) | 1.1 | |
Fw | 46.2 | |
额定载荷(KN) | ||
基本额定动载荷 | Cr | 93000 |
基本额定静载荷 | Cor | 101000 |
极限速度(rpm) | ||
热参考速度 | 9000 | |
机械转速 | 14000 | |
脂润滑 | 6700 | |
安装尺寸(mm) | ||
da(min) | 43 | |
db(min) | 41.5 | |
db(max) | 44 | |
dc(min) | 48 | |
dd(min) | 53 | |
Da(max) | 72 | |
ra(max) | 1.5 | |
rb(max) | 1 | |
重量(kg) | 0.711 |

商品 | 品牌 | 主要尺寸 | 发货仓 | 产地 | 库存 | 含税单价 | VIP价 | 操作 |
NTN NUP2307U轴承 圆柱滚子 |
NTN | 35 X 80 X 31 | 华东 | 日本 | 5 | 373.09 | ¥286.99 | |