产品分类

公称型号(开式) | ||
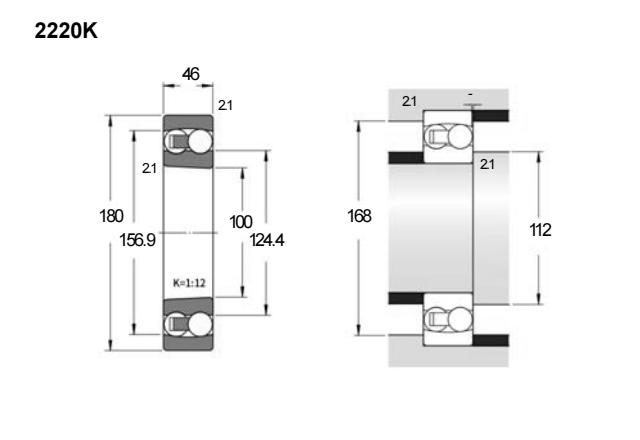
锥孔型 | 2220K | |
主要尺寸(mm) | ||
内径 | d | 100 |
外径 | D | 180 |
宽度 | B | 46 |
额定载荷(KN) | ||
基本额定动载荷 | Cr | 98 |
基本额定静载荷 | Cor | 40 |
疲劳极限载荷 | ||
径向 | Cur(KN) | 2.12 |
限速(rpm) | ||
nG | 5700 | |
额定转速(rpm) | ||
nar | 4900 | |
重量 | ||
m(kg) | 5.1 | |
其他尺寸(mm) | ||
r(min) | 2.1 | |
D1(≈) | 156.9 | |
D2(≈) | ||
d1(≈) | 124.4 | |
d2(≈) | ||
b | ||
k | ||
C1(≈) | ||
安装尺寸(mm) | ||
da(min) | 112 | |
Da(max) | 168 | |
ra(max) | 2.1 | |
计算系数 | ||
e | 0.27 | |
Y1 | 2.33 | |
Y2 | 3.61 | |
Y0 | 2.44 | |
装配组件 | ||
紧定套 | H320 |

商品 | 品牌 | 主要尺寸 | 发货仓 | 产地 | 库存 | 含税单价 | VIP价 | 操作 |
NTN 2220SK轴承 调心球 |
NTN | 100 X 180 X 46 | 华南 | 日本 | 2 | 848.93 | ¥679.14 | |