产品分类
- 深沟球轴承
- 角接触球轴承
- 超高精密轴承
- 精密角接触球轴承
- 标准型
- 标准密封型-S
- 陶瓷球标准型-C
- 陶瓷球密封型-CS
- 高速小球型-HS
- 小球密封型-HSS
- 陶瓷小球型-HC
- 陶瓷小球密封型-HCS
- 超高速陶瓷球型-XC
- 超高速陶瓷球密封型-XCS
- 超高速小球型-XS
- 超高速小球密封型-XSS
- 油气润滑-标准钢球型
- 油气润滑-标准陶瓷球型
- 油气润滑-高速小球型
- 油气润滑-高速陶瓷球型
- 油气润滑-超高速小球型
- 油气润滑-超高速陶瓷球型
- 精密丝杠轴承
- 精密圆柱滚子轴承
- 调心球轴承
- 推力轴承
- 圆柱滚子轴承
- 圆锥滚子轴承
- 调心滚子轴承
- 交叉滚子轴承
- 超薄截面轴承
- 滚针轴承
- 滚轮轴承
- 关节轴承
- 直线运动
- 轴承附件

XCS7914ETP4DU轴承
类型:【超高精密轴承 - 精密角接触球轴承】
基本尺寸:内径:70 mm,外径:100 mm,厚度:32 mm。
价格区间:¥4321.8 - ¥5927.04【详情】
前缀列表:【X:超高转速】【C:陶瓷球】【S:密封型】后缀列表:【E:25° 接触角】【T:聚酰胺保持架】【P4:ISO 4级精度】【DU:双列万能配对】
XCS7914ETP4DU属于超高精密角接触球轴承系列,其基本尺寸为内径70毫米、外径100毫米、厚度32毫米。该轴承采用陶瓷球材料与特殊密封结构设计,具备优异的抗磨损性能和高速运转稳定性。在高速旋转工况下,陶瓷球能够有效降低离心力影响,减少摩擦发热,同时保持较高的尺寸精度。密封系统可阻挡外部污染物侵入,延长轴承在洁净环境中的使用寿命。
此类轴承适用于高转速、高精度要求的设备场景,例如精密机床主轴、高速电主轴及测量仪器等。其结构特点包括接触角优化设计和预紧力可调机制,能适应不同方向的轴向与径向复合载荷。轴承制造过程中采用分级选配工艺,确保组件间的匹配一致性,有助于维持旋转系统的动态平衡。
由于采用特殊热处理工艺和表面处理技术,轴承在长期运行中仍能保持稳定的公差范围。使用者需根据实际工况合理配置润滑方案,并定期检查密封件状态。该型号轴承的设计兼顾了高速性能与刚性需求,为精密传动系统提供了可靠支撑。
X
C
S
7
9
1
4
E
T
P
4
D
U
X:超高转速
C:陶瓷球
S:密封型
7:精密角接触球轴承
9:尺寸系列:超轻 19 系列
14:内径:70 mm
E:25° 接触角
T:聚酰胺保持架
P4:ISO 4级精度
DU:双列万能配对
X:
超高转速
C:
陶瓷球
S:
密封型
7:
精密角接触球轴承
9:
尺寸系列:超轻 19 系列
14:
内径:70 mm
E:
25° 接触角
T:
聚酰胺保持架
P4:
ISO 4级精度
DU:
双列万能配对
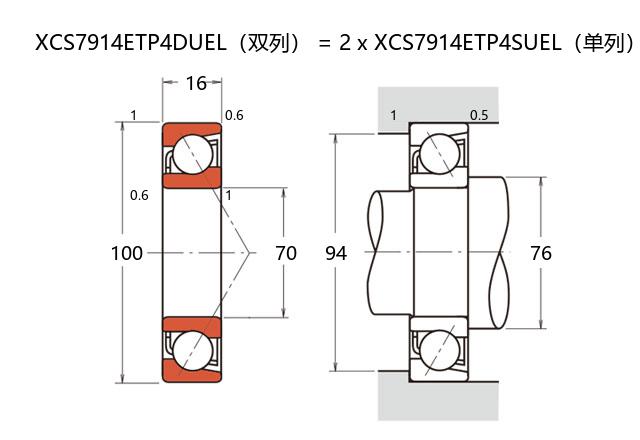
公称型号 | ||
超高速陶瓷球密封型 | XCS7914ETP4DU | |
主要尺寸(mm) | ||
内径 | d | 70 |
外径 | D | 100 |
厚度(单列) | B | 16 |
厚度(多列) | T | 32 |
倒角尺寸 | r(min) | 1 |
倒角尺寸 | r1(min) | 0.6 |
额定载荷(KN) | ||
基本额定动载荷 | Cr | 40.8 |
基本额定静载荷 | C0r | 33.2 |
极限载荷(KN) | ||
轴向-单个 | 20.7 | |
接触角 | ||
度 | ° | 25 |
系数 | ||
fo | - | |
作用点(mm) | ||
a | 27.8 | |
限制速度(rpm) | ||
脂润滑 | Grease | 22400 |
油润滑 | Oil | - |
安装尺寸(mm) | ||
da(min) | 76 | |
Da(max) | 94 | |
Db(max) | 95 | |
ra(max) | 1 | |
rb(max) | 0.5 | |
预紧力(N)-DU/DB/DF | ||
微预紧 | EL | 49 |
轻预紧 | L | 329 |
中预紧 | M | 693 |
重预紧 | H | - |
轴承刚度(N/μm)-DU/DB/DF | ||
微预紧 | EL | 94 |
轻预紧 | L | 180 |
中预紧 | M | 235 |
重预紧 | H | - |
测量轴向游隙(μm) | ||
微预紧 | EL | 0 |
轻预紧 | L | -8 |
中预紧 | M | -15 |
重预紧 | H | - |
轴承组合 | ||
方式 | 万能 | |
列数 | 2 | |
重量(Kg) | ||
0.66 |

商品 | 品牌 | 主要尺寸 | 发货仓 | 产地 | 库存 | 含税单价 | VIP价 | 操作 |
SKF S71914 ACB/HCP4ADGG10轴承 超精密角接触球轴承B设计 |
SKF | 70 X 100 X 32 | 华东 | 意大利 | 9 | 5927.04 | ¥4630.5 | |
SKF S71914 ACB/HCP4ADGA轴承 超精密角接触球轴承B设计 |
SKF | 70 X 100 X 32 | 华东 | 意大利 | 1 | 5575.12 | ¥4321.8 | |