产品分类
- 深沟球轴承
- 角接触球轴承
- 超高精密轴承
- 精密角接触球轴承
- 标准型
- 标准密封型-S
- 陶瓷球标准型-C
- 陶瓷球密封型-CS
- 高速小球型-HS
- 小球密封型-HSS
- 陶瓷小球型-HC
- 陶瓷小球密封型-HCS
- 超高速陶瓷球型-XC
- 超高速陶瓷球密封型-XCS
- 超高速小球型-XS
- 超高速小球密封型-XSS
- 油气润滑-标准钢球型
- 油气润滑-标准陶瓷球型
- 油气润滑-高速小球型
- 油气润滑-高速陶瓷球型
- 油气润滑-超高速小球型
- 油气润滑-超高速陶瓷球型
- 精密丝杠轴承
- 精密圆柱滚子轴承
- 调心球轴承
- 推力轴承
- 圆柱滚子轴承
- 圆锥滚子轴承
- 调心滚子轴承
- 交叉滚子轴承
- 超薄截面轴承
- 滚针轴承
- 滚轮轴承
- 关节轴承
- 直线运动
- 轴承附件

XCS72916ETP4DU轴承
类型:【超高精密轴承 - 精密角接触球轴承】
基本尺寸:内径:80 mm,外径:110 mm,厚度:38 mm。
价格区间:¥0 - ¥0【详情】
前缀列表:【X:超高转速】【C:陶瓷球】【S:密封型】后缀列表:【E:25° 接触角】【T:聚酰胺保持架】【P4:ISO 4级精度】【DU:双列万能配对】
XCS72916ETP4DU是一款超高精密角接触球轴承,其基本尺寸为内径80mm、外径110mm、厚度38mm,适合对空间和精度有严格要求的应用场景。该轴承采用陶瓷球作为滚动体,有效降低了高速运转时的离心力和摩擦热量,同时配合特殊设计的密封结构,能够在高速条件下保持良好的润滑状态并防止污染物侵入。此类轴承通常用于高转速主轴、精密机床及测量设备等需要高刚性和低振动的领域。
在材料选择方面,陶瓷球与钢制滚道的组合提升了轴承的耐久性和抗腐蚀能力,尤其适合在恶劣工况或温升明显的环境中使用。其接触角设计优化了轴向载荷承载能力,兼顾径向与轴向的刚度需求。此外,精密制造工艺确保了轴承在连续高速运转时仍维持稳定的动态性能,延长了使用寿命。
由于采用密封设计和陶瓷材料,该型号在维持高精度旋转的同时减少了维护需求,为中高速精密传动系统提供了可靠的支撑方案。其结构特性使之成为许多工业设备中关键旋转部件的优选配置之一。
X
C
S
7
2
9
1
6
E
T
P
4
D
U
X:超高转速
C:陶瓷球
S:密封型
7:精密角接触球轴承
2:宽度系列:宽型 2 系列
9:直径系列:超轻 19 系列
16:内径:80 mm
E:25° 接触角
T:聚酰胺保持架
P4:ISO 4级精度
DU:双列万能配对
X:
超高转速
C:
陶瓷球
S:
密封型
7:
精密角接触球轴承
2:
宽度系列:宽型 2 系列
9:
直径系列:超轻 19 系列
16:
内径:80 mm
E:
25° 接触角
T:
聚酰胺保持架
P4:
ISO 4级精度
DU:
双列万能配对
公称型号 | ||
超高速陶瓷球密封型 | XCS72916ETP4DU | |
主要尺寸(mm) | ||
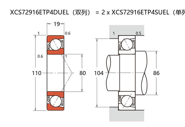
内径 | d | 80 |
外径 | D | 110 |
厚度(单列) | B | 19 |
厚度(多列) | T | 38 |
倒角尺寸 | r(min) | 1 |
倒角尺寸 | r1(min) | 0.6 |
额定载荷(KN) | ||
基本额定动载荷 | Cr | 42 |
基本额定静载荷 | C0r | 36.6 |
极限载荷(KN) | ||
轴向-单个 | 22.8 | |
接触角 | ||
度 | ° | 25 |
系数 | ||
fo | - | |
作用点(mm) | ||
a | 31.7 | |
限制速度(rpm) | ||
脂润滑 | Grease | 20000 |
油润滑 | Oil | - |
安装尺寸(mm) | ||
da(min) | 86 | |
Da(max) | 104 | |
Db(max) | 105 | |
ra(max) | 1 | |
rb(max) | 0.5 | |
预紧力(N)-DU/DB/DF | ||
微预紧 | EL | 49 |
轻预紧 | L | 349 |
中预紧 | M | 743 |
重预紧 | H | - |
轴承刚度(N/μm)-DU/DB/DF | ||
微预紧 | EL | 100 |
轻预紧 | L | 194 |
中预紧 | M | 254 |
重预紧 | H | - |
测量轴向游隙(μm) | ||
微预紧 | EL | 0 |
轻预紧 | L | -8 |
中预紧 | M | -15 |
重预紧 | H | - |
轴承组合 | ||
方式 | 万能 | |
列数 | 2 | |
重量(Kg) | ||
0.77 |

商品 | 品牌 | 主要尺寸 | 发货仓 | 产地 | 库存 | 含税单价 | VIP价 | 操作 |