产品分类
- 深沟球轴承
- 角接触球轴承
- 超高精密轴承
- 精密角接触球轴承
- 标准型
- 标准密封型-S
- 陶瓷球标准型-C
- 陶瓷球密封型-CS
- 高速小球型-HS
- 小球密封型-HSS
- 陶瓷小球型-HC
- 陶瓷小球密封型-HCS
- 超高速陶瓷球型-XC
- 超高速陶瓷球密封型-XCS
- 超高速小球型-XS
- 超高速小球密封型-XSS
- 油气润滑-标准钢球型
- 油气润滑-标准陶瓷球型
- 油气润滑-高速小球型
- 油气润滑-高速陶瓷球型
- 油气润滑-超高速小球型
- 油气润滑-超高速陶瓷球型
- 精密丝杠轴承
- 精密圆柱滚子轴承
- 调心球轴承
- 推力轴承
- 圆柱滚子轴承
- 圆锥滚子轴承
- 调心滚子轴承
- 交叉滚子轴承
- 超薄截面轴承
- 滚针轴承
- 滚轮轴承
- 关节轴承
- 直线运动
- 轴承附件

XCS7205CTP4DU轴承
类型:【超高精密轴承 - 精密角接触球轴承】
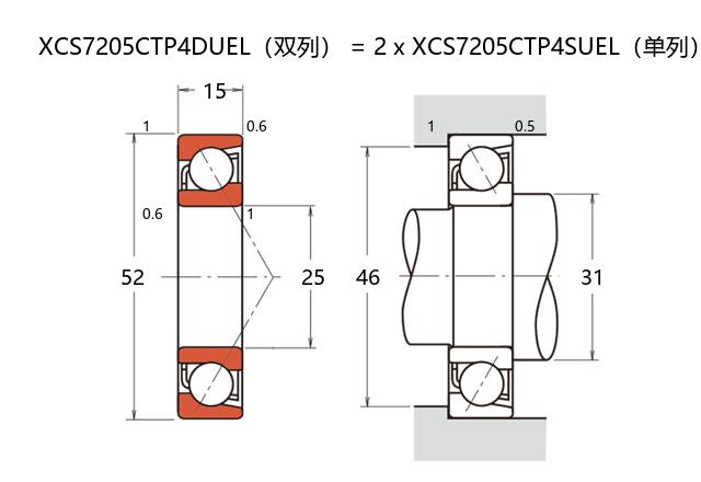
基本尺寸:内径:25 mm,外径:52 mm,厚度:30 mm。
价格区间:¥0 - ¥0【详情】
前缀列表:【X:超高转速】【C:陶瓷球】【S:密封型】后缀列表:【C:接触角 15°】【T:聚酰胺保持架】【P4:ISO 4级精度】【DU:双列万能配对】
XCS7205CTP4DU属于超高精密角接触球轴承系列,其基本尺寸为内径25mm、外径52mm、厚度30mm。该轴承采用陶瓷球作为滚动体,结合特殊设计的密封结构,具备轻量化、耐高温和低摩擦特性,适用于高转速工况。在润滑条件稳定的环境下,能够有效降低运转温升,延长使用寿命。
此类轴承多用于精密机床主轴、电主轴及高速传动系统,满足对旋转精度和动态稳定性要求较高的场合。密封设计有助于在复杂工况下阻挡污染物侵入,维持内部清洁度。由于材料与结构的优化,轴承在高速运转时能保持较低的振动与噪声水平,适应连续或间歇性工作模式。
选型时需结合具体载荷分布、预紧配置及润滑条件进行综合评估,确保与实际应用需求相匹配。该型号轴承在合理维护下,可为精密设备提供稳定的旋转支撑。
X
C
S
7
2
0
5
C
T
P
4
D
U
X:超高转速
C:陶瓷球
S:密封型
7:精密角接触球轴承
2:尺寸系列:轻窄 02 系列
05:内径:25 mm
C:接触角 15°
T:聚酰胺保持架
P4:ISO 4级精度
DU:双列万能配对
X:
超高转速
C:
陶瓷球
S:
密封型
7:
精密角接触球轴承
2:
尺寸系列:轻窄 02 系列
05:
内径:25 mm
C:
接触角 15°
T:
聚酰胺保持架
P4:
ISO 4级精度
DU:
双列万能配对
公称型号 | ||
超高速陶瓷球密封型 | XCS7205CTP4DU | |
主要尺寸(mm) | ||
内径 | d | 25 |
外径 | D | 52 |
厚度(单列) | B | 15 |
厚度(多列) | T | 30 |
倒角尺寸 | r(min) | 1 |
倒角尺寸 | r1(min) | 0.6 |
额定载荷(KN) | ||
基本额定动载荷 | Cr | 22.2 |
基本额定静载荷 | C0r | 9.9 |
极限载荷(KN) | ||
轴向-单个 | 4.2 | |
接触角 | ||
度 | ° | 15 |
系数 | ||
fo | 7.1 | |
作用点(mm) | ||
a | 12.7 | |
限制速度(rpm) | ||
脂润滑 | Grease | 57200 |
油润滑 | Oil | - |
安装尺寸(mm) | ||
da(min) | 31 | |
Da(max) | 46 | |
Db(max) | 47 | |
ra(max) | 1 | |
rb(max) | 0.5 | |
预紧力(N)-DU/DB/DF | ||
微预紧 | EL | 36 |
轻预紧 | L | 88 |
中预紧 | M | 179 |
重预紧 | H | - |
轴承刚度(N/μm)-DU/DB/DF | ||
微预紧 | EL | 25 |
轻预紧 | L | 35 |
中预紧 | M | 46 |
重预紧 | H | - |
测量轴向游隙(μm) | ||
微预紧 | EL | 2 |
轻预紧 | L | -5 |
中预紧 | M | -14 |
重预紧 | H | - |
轴承组合 | ||
方式 | 万能 | |
列数 | 2 | |
重量(Kg) | ||
0.224 |

商品 | 品牌 | 主要尺寸 | 发货仓 | 产地 | 库存 | 含税单价 | VIP价 | 操作 |