产品分类
- 深沟球轴承
- 角接触球轴承
- 超高精密轴承
- 精密角接触球轴承
- 标准型
- 标准密封型-S
- 陶瓷球标准型-C
- 陶瓷球密封型-CS
- 高速小球型-HS
- 小球密封型-HSS
- 陶瓷小球型-HC
- 陶瓷小球密封型-HCS
- 超高速陶瓷球型-XC
- 超高速陶瓷球密封型-XCS
- 超高速小球型-XS
- 超高速小球密封型-XSS
- 油气润滑-标准钢球型
- 油气润滑-标准陶瓷球型
- 油气润滑-高速小球型
- 油气润滑-高速陶瓷球型
- 油气润滑-超高速小球型
- 油气润滑-超高速陶瓷球型
- 精密丝杠轴承
- 精密圆柱滚子轴承
- 调心球轴承
- 推力轴承
- 圆柱滚子轴承
- 圆锥滚子轴承
- 调心滚子轴承
- 交叉滚子轴承
- 超薄截面轴承
- 滚针轴承
- 滚轮轴承
- 关节轴承
- 直线运动
- 轴承附件

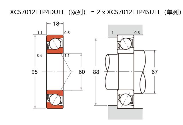
XCS7012ETP4DU轴承
类型:【超高精密轴承 - 精密角接触球轴承】
基本尺寸:内径:60 mm,外径:95 mm,厚度:36 mm。
价格区间:¥3076.71 - ¥3753.59【详情】
前缀列表:【X:超高转速】【C:陶瓷球】【S:密封型】后缀列表:【E:25° 接触角】【T:聚酰胺保持架】【P4:ISO 4级精度】【DU:双列万能配对】
XCS7012ETP4DU属于超高精密角接触球轴承系列,其内外圈及滚动体采用高品质钢材制造,球体则为轻量化陶瓷材质。该型号内径60毫米,外径95毫米,厚度36毫米,尺寸设计契合标准安装需求。结构上采用接触角优化设计,可同时承受径向与轴向复合载荷,特别适用于高速运转工况。
该系列轴承采用非接触式密封结构,在有效阻挡污染物侵入的同时维持低摩擦特性。陶瓷球体带来的离心力减小效应,配合特殊保持架设计,使轴承在超高速场景下仍保持稳定运行。润滑系统经过专项匹配,可延长使用寿命并维持温升可控。
此类轴承常见于精密主轴、高速电主轴及高精度回转平台等装备。在满足精密级公差要求的同时,其动态性能经过多道工艺验证。选型时需根据实际工况进行负载校核与润滑方案确认,安装时应注意调整预紧力以实现最佳性能表现。
X
C
S
7
0
1
2
E
T
P
4
D
U
X:超高转速
C:陶瓷球
S:密封型
7:精密角接触球轴承
0:尺寸系列:超轻 10 系列
12:内径:60 mm
E:25° 接触角
T:聚酰胺保持架
P4:ISO 4级精度
DU:双列万能配对
X:
超高转速
C:
陶瓷球
S:
密封型
7:
精密角接触球轴承
0:
尺寸系列:超轻 10 系列
12:
内径:60 mm
E:
25° 接触角
T:
聚酰胺保持架
P4:
ISO 4级精度
DU:
双列万能配对
公称型号 | ||
超高速陶瓷球密封型 | XCS7012ETP4DU | |
主要尺寸(mm) | ||
内径 | d | 60 |
外径 | D | 95 |
厚度(单列) | B | 18 |
厚度(多列) | T | 36 |
倒角尺寸 | r(min) | 1.1 |
倒角尺寸 | r1(min) | 0.6 |
额定载荷(KN) | ||
基本额定动载荷 | Cr | 30 |
基本额定静载荷 | C0r | 25 |
极限载荷(KN) | ||
轴向-单个 | 15.5 | |
接触角 | ||
度 | ° | 25 |
系数 | ||
fo | - | |
作用点(mm) | ||
a | 26.9 | |
限制速度(rpm) | ||
脂润滑 | Grease | 24600 |
油润滑 | Oil | - |
安装尺寸(mm) | ||
da(min) | 67 | |
Da(max) | 88 | |
Db(max) | 90 | |
ra(max) | 1 | |
rb(max) | 0.6 | |
预紧力(N)-DU/DB/DF | ||
微预紧 | EL | 49 |
轻预紧 | L | 429 |
中预紧 | M | 894 |
重预紧 | H | - |
轴承刚度(N/μm)-DU/DB/DF | ||
微预紧 | EL | 95 |
轻预紧 | L | 200 |
中预紧 | M | 263 |
重预紧 | H | - |
测量轴向游隙(μm) | ||
微预紧 | EL | 0 |
轻预紧 | L | -10 |
中预紧 | M | -18 |
重预紧 | H | - |
轴承组合 | ||
方式 | 万能 | |
列数 | 2 | |
重量(Kg) | ||
0.86 |

商品 | 品牌 | 主要尺寸 | 发货仓 | 产地 | 库存 | 含税单价 | VIP价 | 操作 |
SKF S7012 ACB/HCP4ADGA轴承 超精密角接触球轴承B设计 |
SKF | 60 X 95 X 36 | 华东 | 意大利 | 3 | 3753.59 | ¥3076.71 | |