产品分类
- 深沟球轴承
- 角接触球轴承
- 超高精密轴承
- 精密角接触球轴承
- 标准型
- 标准密封型-S
- 陶瓷球标准型-C
- 陶瓷球密封型-CS
- 高速小球型-HS
- 小球密封型-HSS
- 陶瓷小球型-HC
- 陶瓷小球密封型-HCS
- 超高速陶瓷球型-XC
- 超高速陶瓷球密封型-XCS
- 超高速小球型-XS
- 超高速小球密封型-XSS
- 油气润滑-标准钢球型
- 油气润滑-标准陶瓷球型
- 油气润滑-高速小球型
- 油气润滑-高速陶瓷球型
- 油气润滑-超高速小球型
- 油气润滑-超高速陶瓷球型
- 精密丝杠轴承
- 精密圆柱滚子轴承
- 调心球轴承
- 推力轴承
- 圆柱滚子轴承
- 圆锥滚子轴承
- 调心滚子轴承
- 交叉滚子轴承
- 超薄截面轴承
- 滚针轴承
- 滚轮轴承
- 关节轴承
- 直线运动
- 轴承附件

XCS7011FTP4DU轴承
类型:【超高精密轴承 - 精密角接触球轴承】
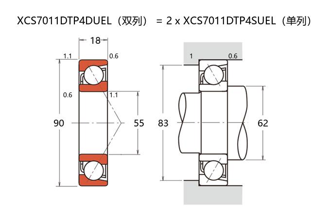
基本尺寸:内径:55 mm,外径:90 mm,厚度:36 mm。
价格区间:¥0 - ¥0【详情】
前缀列表:【X:超高转速】【C:陶瓷球】【S:密封型】后缀列表:【F:18° 接触角】【T:聚酰胺保持架】【P4:ISO 4级精度】【DU:双列万能配对】
XCS7011FTP4DU型轴承属于超高精密角接触球轴承系列,基本尺寸为内径55毫米、外径90毫米、厚度36毫米。该型号采用陶瓷球材质与密封结构设计,具备优异的转速性能与运行稳定性。在材料特性方面,陶瓷球相比传统钢球能有效降低离心力效应,减少摩擦温升,有利于维持高速运转状态下的尺寸精度。密封组件可阻隔污染物侵入,延长轴承在洁净环境中的使用寿命。
该轴承适用于需要同时满足高转速与高刚性要求的工况,常见于精密机床主轴、测量仪器旋转单元等设备。由于角接触结构可承受联合载荷,其在轴向与径向负载分配方面展现良好平衡性。特殊的预压调整设计使轴承组能根据不同应用场景进行刚度优化,确保旋转系统保持稳定的动态精度。
在使用过程中需注意配合零件的形位公差与安装方式,不当装配可能影响游隙精度。润滑剂的选择需参考实际转速范围与工作温度,建议遵循设备制造商的技术规范进行维护操作。
X
C
S
7
0
1
1
F
T
P
4
D
U
X:超高转速
C:陶瓷球
S:密封型
7:精密角接触球轴承
0:尺寸系列:超轻 10 系列
11:内径:55 mm
F:18° 接触角
T:聚酰胺保持架
P4:ISO 4级精度
DU:双列万能配对
X:
超高转速
C:
陶瓷球
S:
密封型
7:
精密角接触球轴承
0:
尺寸系列:超轻 10 系列
11:
内径:55 mm
F:
18° 接触角
T:
聚酰胺保持架
P4:
ISO 4级精度
DU:
双列万能配对
公称型号 | ||
超高速陶瓷球密封型 | XCS7011FTP4DU | |
主要尺寸(mm) | ||
内径 | d | 55 |
外径 | D | 90 |
厚度(单列) | B | 18 |
厚度(多列) | T | 36 |
倒角尺寸 | r(min) | 1.1 |
倒角尺寸 | r1(min) | 0.6 |
额定载荷(KN) | ||
基本额定动载荷 | Cr | 30.2 |
基本额定静载荷 | C0r | 24 |
极限载荷(KN) | ||
轴向-单个 | 11.7 | |
接触角 | ||
度 | ° | 18 |
系数 | ||
fo | 10.8 | |
作用点(mm) | ||
a | 20.6 | |
限制速度(rpm) | ||
脂润滑 | Grease | 29000 |
油润滑 | Oil | - |
安装尺寸(mm) | ||
da(min) | 62 | |
Da(max) | 83 | |
Db(max) | 85 | |
ra(max) | 1 | |
rb(max) | 0.6 | |
预紧力(N)-DU/DB/DF | ||
微预紧 | EL | 49 |
轻预紧 | L | 131 |
中预紧 | M | 343 |
重预紧 | H | - |
轴承刚度(N/μm)-DU/DB/DF | ||
微预紧 | EL | 54 |
轻预紧 | L | 77 |
中预紧 | M | 111 |
重预紧 | H | - |
测量轴向游隙(μm) | ||
微预紧 | EL | 0 |
轻预紧 | L | -5 |
中预紧 | M | -14 |
重预紧 | H | - |
轴承组合 | ||
方式 | 万能 | |
列数 | 2 | |
重量(Kg) | ||
0.8 |

商品 | 品牌 | 主要尺寸 | 发货仓 | 产地 | 库存 | 含税单价 | VIP价 | 操作 |